Качественные детали и логистика
Оригинальные и аналоговые запчасти с доставкой по России, Казахстану и Беларуси
©2022 PartSell ООО "Система" ИНН 2463123282 ОГРН 1212400004838
Центральный офис: г. Красноярск, Академика Киренского, д.87, пом.4
Телефон: 8 (800) 777-65-74 Email: zakaz@partsell.ru
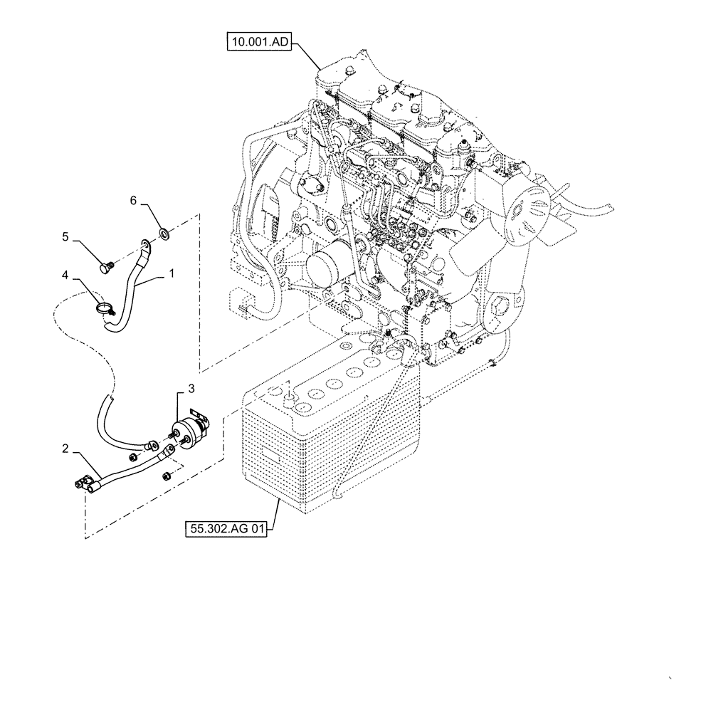
(55.302.AI[01]) - BATTERY DISCONNECT SM (SR130,SR150)
№
Артикул
Название
Примечание
Количество
1
84295123
SM
GROUND CABLE,740mm L
1шт.
2
84295122
NEG BATTERY CABLE
3
87458467
ROTARY SWITCH
Master Disconnect
4
87668737
CABLE TIE,203.2mm L, Nylon, Black
Fir Tree Assembly
5
15976921
BOLT,Hex, M14 x 1.5 x 22mm, Cl 8.8, Full Thd
Screw
6
87016615
WASHER,15.3mm ID x 28.5mm OD x 3mm Thk
7
176332A1
DECAL
Выбрано товаров: 0