Качественные детали и логистика
Оригинальные и аналоговые запчасти с доставкой по России, Казахстану и Беларуси
©2022 PartSell ООО "Система" ИНН 2463123282 ОГРН 1212400004838
Центральный офис: г. Красноярск, Академика Киренского, д.87, пом.4
Телефон: 8 (800) 777-65-74 Email: zakaz@partsell.ru
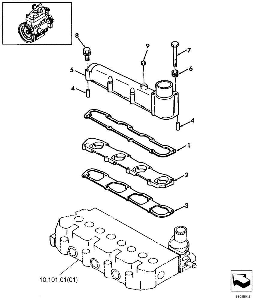
(10.254.04) - INTAKE MANIFOLD
№
Артикул
Название
Примечание
Количество
1
SBA135996880
MANIFOLD GASKET
Intake
1шт.
2
SBA135596920
SPACER
3
SBA135996870
GASKET
Spacer
4
SBA030300414
PIN
Spring
2шт.
5
SBA135596710
INLET MANIFOLD
6
86517328
LOCK WASHER,6.1mm ID x 11.8mm OD x 1.7mm Thk
7
SBA010109119
BOLT
8
SBA011310660
6шт.
9
SBA064500010
PLUG
Выбрано товаров: 0