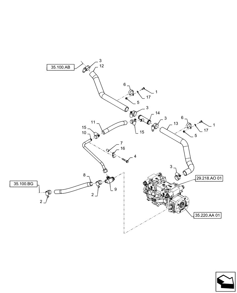
Запчасти Case IH SR150 (29.204.AB[03]) - HYDROSTATIC PUMP, SUPPLY LINES, EH CONTROLS (SR130,SR150) (29) - HYDROSTATIC DRIVE

Схема запчастей Case IH SR150 - (29.204.AB[03]) - HYDROSTATIC PUMP, SUPPLY LINES, EH CONTROLS (SR130,SR150) (29) - HYDROSTATIC DRIVE
10
4
12
3
35.100.ab
15
35.220.aa 01
16
8
14
1
3
1
35.100.bg
2
17
2
6
13
11
3
3
5
15
5
17
7
29.218.ao 01
9
6
FIT
1:1
100%

Артикул

Название

Примечание

Количество

1

308761

CARRIAGE BOLT,M8 x 1.25 x 25mm, Cl 8.8

2шт.

2

507586

HOSE CLAMP,20.6mm - 44.4mm, Worm Gear

2шт.

3

513309

HOSE CLAMP,1-1/16” - 2”, Worm Gear

4шт.

4

9804264

FLANGE BOLT,M10 x 50mm, 26mm Thd, Cl 8.8

1шт.

5

9804277

FLANGE NUT,Hex, M8 x 1.25, Cl 8

3шт.

6

84265306

CLAMP,47.6mm, Coat, 8.7mm Bolt Hole, P Type

2шт.

7

84277083

TUBE SPACER,11.1mm ID x 15.9mm OD x 18.1mm L

1шт.

8

84280437

FLEXIBLE HOSE,25.4mm ID x 425mm L, SAE 100R4

Charge Supply

1шт.

9

84344924

90 ELBOW,1-5/16" - 12 ORB x 1-1/16" - 12 JIC x -16 Hose Barb

1шт.

10

84344936

Tandem Supply

RIGID TUBE,19.05mm OD

1шт.

11

84344942

HOSE,19.05mm OD x 280mm L

Tandem Supply

1шт.

12

84349298

Gear Pump Suction

HOSE,38.1mm ID

1шт.

13

84349299

Gear Pump Suction

HOSE,38.1mm ID

1шт.

14

84511713

TEE,-24 Bead x -24 Bead x -12 Bead

1шт.

15

86625021

HOSE CLAMP,17.5mm - 31.7mm, Worm Gear

2шт.

16

86637999

CLAMP,19mm, Coat, 11.9mm Bolt Hole, P Type

1шт.

17

87655042

SPECIAL WASHER,8.8mm ID x 17.5mm OD x 2.2mm Thk

4шт.

Выбрано товаров: 17