Запчасти Case IH SR150 (29.218.AO[03]) - TANDEM, HYDROSTATIC PUMP, 35CC DDC, FRONT (SR130 - SV185) (29) - HYDROSTATIC DRIVE

Схема запчастей Case IH SR150 - (29.218.AO[03]) - TANDEM, HYDROSTATIC PUMP, 35CC DDC, FRONT (SR130 - SV185) (29) - HYDROSTATIC DRIVE
16
16
17
12
6
8
14
13
9
11
5
13
8
11
4
29.218.ao 04
2
10
1
7
4
3
15
7
15
18
5
FIT
1:1
100%

Артикул

Название

Примечание

Количество

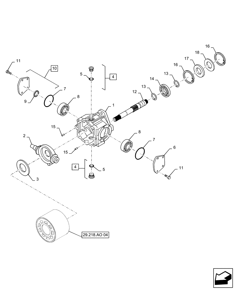
1

241587A1

HOUSING

Main

1шт.

2

84388310

M35

SWASH PLATE

1шт.

3

100700A1

PLATE

Thrust

1шт.

4

9841223

PLUG,1-1/16" - 12 ORB

Incl 5

2шт.

5

167266

O-RING,0.116" Thk x 0.924" ID, -912, Cl 6, 90 Duro

2шт.

6

H438310

COVER

Sauer 4250027

1шт.

7

239-5146

O-RING,Square, 0.094" Thk x 2.612" ID, -146, Cl 5, 75 Duro

2шт.

8

241590A1

BEARING ASSY

Taper

2шт.

9

H438288

SEAL

Sauer 5000604

2шт.

10

84388659

Trunion w/Seal, Incl 22

COVER ASSY

1шт.

11

43232

BOLT,Hex, M8 x 16mm, Cl 10.9

Cap

8шт.

12

84388311

Front

SHAFT

1шт.

13

100-11137

SNAP RING,#137, Ext

2шт.

14

A29183

BALL BEARING,34.99mm ID x 71.99mm OD x 16.94mm W

1шт.

15

87012464

SPECIAL PIN,9.499mm OD x 12.7mm OAL

Dowel, Knurled

2шт.

16

103-21281

SNAP RING,66.92mm ID x 2.36mm W, Int

2шт.

17

N14103

SEAL

Sauer 5000689

1шт.

18

241589A1

SEALING WASHER,38.1mm ID x 71.75mm OD x 2.16mm Thk

Sauer 4350455

1шт.

Выбрано товаров: 18