Запчасти Case IH SR150 (29.218.AO[07]) - TANDEM HYDROSTATIC PUMP, 35CC DISPLACEMENT CONTROL, REAR (SR130 - SV185) (29) - HYDROSTATIC DRIVE

Схема запчастей Case IH SR150 - (29.218.AO[07]) - TANDEM HYDROSTATIC PUMP, 35CC DISPLACEMENT CONTROL, REAR (SR130 - SV185) (29) - HYDROSTATIC DRIVE
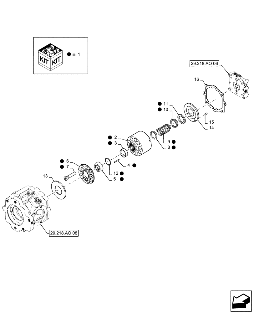
16
1
1
1
6
29.218.ao 06
9
13
1
1
7
8
1
1
5
1
1
2
14
15
10
3
29.218.ao 08
12
1
11
4
1
1
1
FIT
1:1
100%

Артикул

Название

Примечание

Количество

1

100706A1

CYLINDER BLOCK

Kit, Incl 2 - 12

1шт.

2

NSS

NOT SOLD SEPARAT

Cylinder Block

2шт.

3

117382A1

SPLIT PIN/SAFETY PIN

Retainer

2шт.

4

117381A1

SPLIT PIN/SAFETY PIN

Retainer

8шт.

5

176375A1

GUIDE RING

Slipper

2шт.

6

176376A1

COLLAR

Retainer

2шт.

7

NSS

NOT SOLD SEPARAT

Piston Assy, Incl In 1

9шт.

8

176372A1

WASHER

Stainless

2шт.

9

176373A1

SPRING

Cylinder Block

2шт.

10

115950A1

WASHER

Washer

2шт.

11

102-22162

SNAP RING,43.20mm ID, Int, Spiral

2шт.

12

100705A1

THRUST WASHER

2шт.

13

100700A1

PLATE

Thrust

1шт.

14

84388314

Valve, Rear

PLATE

1шт.

15

38-11210

LOCK PIN,3/16" x 5/8", Slotted

1шт.

16

124826A1

GASKET

End Cap

1шт.

Выбрано товаров: 0