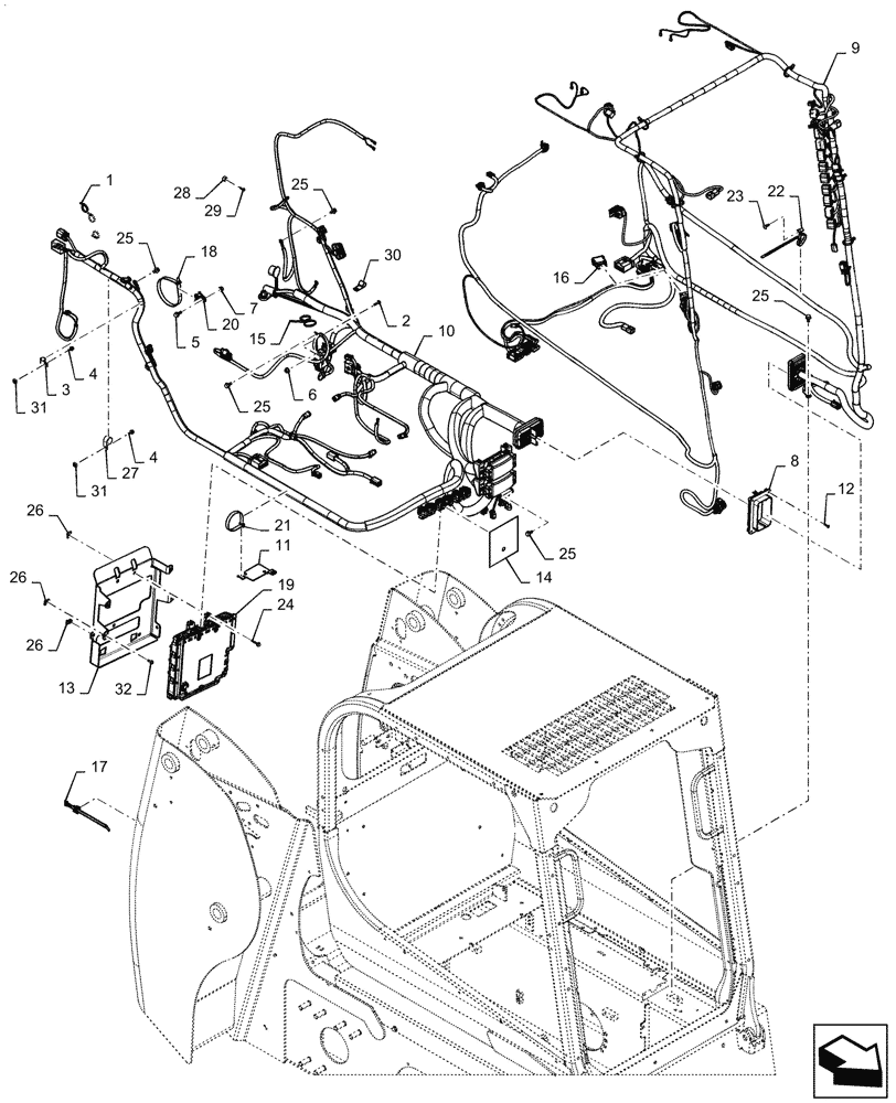
Запчасти Case IH SR150 (55.101.AC[03]) - WIRE HARNESS & CONNECTOR, ELECTRONIC CONTROLS (25-AUG-2015 THRU 13-NOV-2016) (55) - ELECTRICAL SYSTEMS

Схема запчастей Case IH SR150 - (55.101.AC[03]) - WIRE HARNESS & CONNECTOR, ELECTRONIC CONTROLS (25-AUG-2015 THRU 13-NOV-2016) (55) - ELECTRICAL SYSTEMS
4
32
17
26
13
7
25
20
19
26
11
24
21
4
16
3
31
28
5
14
10
12
22
6
25
26
27
15
23
31
29
25
1
2
18
25
9
25
30
8
FIT
1:1
100%

Артикул

Название

Примечание

Количество

1

263117

CABLE TIE,292.1mm L, Nylon, Black

18шт.

2

374891

CARRIAGE BOLT,Rnd Head, M6 x 1 x 25mm, Cl 8.8

2шт.

3

9706748

CLAMP,15.9mm, Coat, 8.7mm Bolt Hole, P Type

1шт.

4

9804255

BOLT,Hex, M6 x 1 x 16mm, Full Thd, Cl 8.8

2шт.

5

9804258

BOLT,Hex, M8 x 1.25 x 20mm, Cl 8.8

1шт.

6

9804276

FLANGE NUT,Hex, M6 x 1, Cl 8

2шт.

7

9804277

FLANGE NUT,Hex, M8 x 1.25, Cl 8

1шт.

8

87718301

WIRE CONNECTOR,Flange

1шт.

9

47813025

Cab, EH

WIRE HARNESS

1шт.

10

47813034

Chassis, EH

WIRE HARNESS

1шт.

11

47820698

Harness Support

BRACKET

1шт.

12

47825034

SCREW,Pan Head, #10 - 14 x 5/8"

4шт.

13

47860657

BRACKET

UCM Support Gray

1шт.

14

47878675

Fuse Box Layout, EH

DECAL

1шт.

15

82012869

CABLE TIE,300mm L, Nylon, Black

5шт.

16

84251343

SWITCH

Rocker, Drive Pattern

1шт.

17

84259663

CABLE TIE,228.6mm L, Nylon, Black

3шт.

18

84266050

CABLE TIE,384mm L, Polyamide

13шт.

19

84267444

UCM SSL

ECU

1шт.

20

84360210

BASE

Tie

1шт.

21

84360212

CABLE TIE,294.2mm L, Nylon

1шт.

22

84420746

CABLE TIE,403.9mm L, Nylon

10шт.

23

84420768

FASTENER,Pine Tree, 5/8" x 20.01mm

10шт.

24

86511839

BOLT,Hvy Hex, M6 x 30mm, Cl 8.8

4шт.

25

86511841

BOLT,Flng, M8 x 1.25 x 16mm, Full Thd, Cl 8.8

6шт.

26

86625073

SPRING NUT,M6 x 1

10шт.

27

86637977

CLAMP,25.4mm, Coat, 8.7mm Bolt Hole, P Type

1шт.

28

86639241

NUT,Prev Torque, M5 x 0.8, Cl 8

1шт.

29

86639263

BOLT,Hex, M5, Cl 8

1шт.

30

87301490

CLAMP,12.7mm, Coat, 10.3mm Bolt Hole, J Type

1шт.

31

87404992

SQUARE NUT,M6 x 1.0, Cl 8

2шт.

32

87682398

SCREW,Torx, Round HD, M6 x 16mm, Cl 10.9

4шт.

Выбрано товаров: 32