Качественные детали и логистика
Оригинальные и аналоговые запчасти с доставкой по России, Казахстану и Беларуси
©2022 PartSell ООО "Система" ИНН 2463123282 ОГРН 1212400004838
Центральный офис: г. Красноярск, Академика Киренского, д.87, пом.4
Телефон: 8 (800) 777-65-74 Email: zakaz@partsell.ru
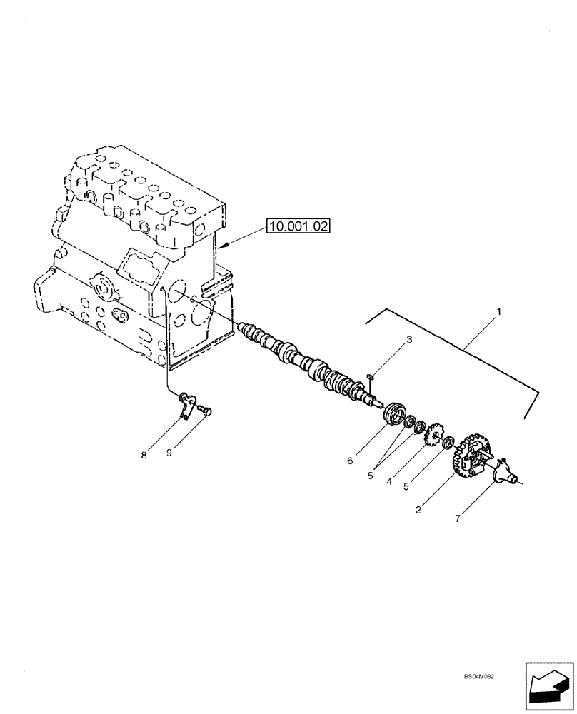
(10.106.AA) - CAMSHAFT
№
Артикул
Название
Примечание
Количество
1
SBA120026970
CAMSHAFT
Incl. Ref 2 - 6
1шт.
SBA120026970R
REMAN-CAMSHAFT
SBA120026970C
CORE-CAMSHAFT
Return Number
2
SBA120016050
GEAR
Cam, Complete
3
SBA034100508
KEY
4
SBA120736081
5
SBA199216230
SPACER
3шт.
6
SBA040109057
BEARING
7
SBA125256120
SLIDE GUIDE
8
SBA199566750
BRACKET
9
SBA011310612
CAPTIVE WASHER SCREW,Hex, M6 x 12, Cl 8.8
2шт.
Выбрано товаров: 0