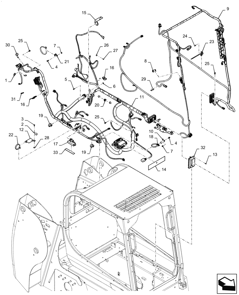
Запчасти Case IH SR160 (55.101.AC[02]) - WIRE HARNESS & CONNECTOR, MECHANICAL CONTROLS, OPEN CAB (25-AUG-2015 THRU 13-NOV-2016) (55) - ELECTRICAL SYSTEMS

Схема запчастей Case IH SR160 - (55.101.AC[02]) - WIRE HARNESS & CONNECTOR, MECHANICAL CONTROLS, OPEN CAB (25-AUG-2015 THRU 13-NOV-2016) (55) - ELECTRICAL SYSTEMS
21
12
25
2
30
27
1
4
32
18
16
6
33
13
5
8
25
3
23
9
31
26
17
28
4
29
14
25
16
22
20
15
7
19
19
10
11
24
7
FIT
1:1
100%

Артикул

Название

Примечание

Количество

1

263117

CABLE TIE,292.1mm L, Nylon, Black

20шт.

2

578070

CLAMP,19mm, Coat, 8.7mm Bolt Hole, P Type

1шт.

3

9804255

BOLT,Hex, M6 x 1 x 16mm, Full Thd, Cl 8.8

1шт.

4

9804258

BOLT,Hex, M8 x 1.25 x 20mm, Cl 8.8

1шт.

5

9804276

FLANGE NUT,Hex, M6 x 1, Cl 8

2шт.

6

9804276

FLANGE NUT,Hex, M6 x 1, Cl 8

1шт.

7

9804277

FLANGE NUT,Hex, M8 x 1.25, Cl 8

2шт.

8

126844A1

PLUG,1.427” x .62” , Plastic

1шт.

9

47803841

Cab, Mech

WIRE HARNESS

1шт.

10

47807590

BRACKET

Crossover, Lower Guide

1шт.

11

47813054

Chassis, Mech

WIRE HARNESS

1шт.

12

47820698

Harness Support

BRACKET

1шт.

13

47825034

SCREW,Pan Head, #10 - 14 x 5/8"

4шт.

14

47878677

Fuse Box Layout, Mech

DECAL

1шт.

15

47880247

CCV ISM

BRACKET

1шт.

16

82012869

CABLE TIE,300mm L, Nylon, Black

6шт.

17

84131374

MODULE

Prop Aux

1шт.

18

84259663

CABLE TIE,228.6mm L, Nylon, Black

3шт.

19

84266050

CABLE TIE,384mm L, Polyamide

9шт.

20

84318895

SPACER,17.97mm H

1шт.

21

84360210

BASE

Tie

1шт.

22

84360212

CABLE TIE,294.2mm L, Nylon

1шт.

23

84420746

CABLE TIE,403.9mm L, Nylon

10шт.

24

84420768

FASTENER,Pine Tree, 5/8" x 20.01mm

10шт.

25

86511841

BOLT,Flng, M8 x 1.25 x 16mm, Full Thd, Cl 8.8

5шт.

26

86639241

NUT,Prev Torque, M5 x 0.8, Cl 8

1шт.

27

86639263

BOLT,Hex, M5, Cl 8

1шт.

28

87016585

NUT,Spring, M6 x 1

1шт.

29

87301490

CLAMP,12.7mm, Coat, 10.3mm Bolt Hole, J Type

1шт.

30

87313351

CLIP,25.4mm, Coat, 8.7mm Bolt Hole, J Type

1шт.

31

87668737

CABLE TIE,203.2mm L, Nylon, Black

1шт.

32

87718301

WIRE CONNECTOR,Flange

1шт.

33

87739941

Double Sided, Cut to Length, 150mm

TAPE

1шт.

Выбрано товаров: 33