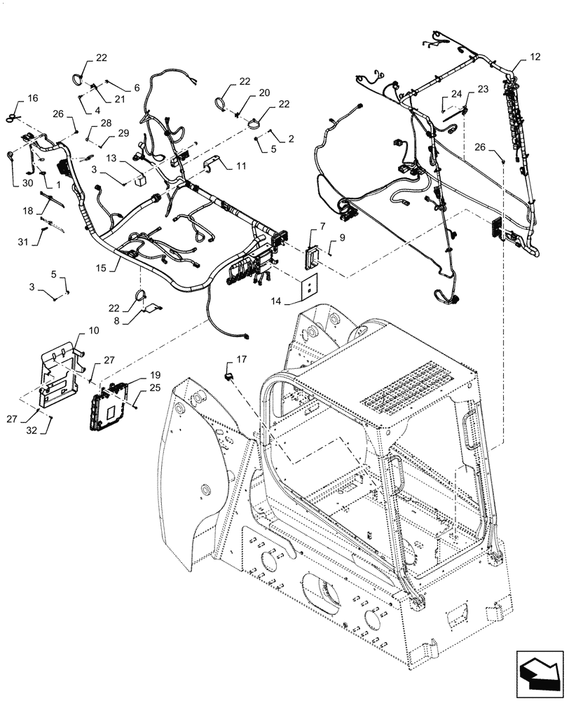
Запчасти Case IH SR160 (55.101.AC[03]) - WIRE HARNESS & CONNECTOR, ELECTRONIC CONTROLS (13-NOV-2016 & NEWER) (55) - ELECTRICAL SYSTEMS

Схема запчастей Case IH SR160 - (55.101.AC[03]) - WIRE HARNESS & CONNECTOR, ELECTRONIC CONTROLS (13-NOV-2016 & NEWER) (55) - ELECTRICAL SYSTEMS
16
27
10
32
4
22
5
30
27
9
17
25
8
1
19
2
5
20
3
31
22
18
3
15
13
22
11
21
24
26
7
22
28
12
26
6
23
29
14
FIT
1:1
100%

Артикул

Название

Примечание

Количество

1

263117

CABLE TIE,292.1mm L, Nylon, Black

3шт.

2

374891

CARRIAGE BOLT,Rnd Head, M6 x 1 x 25mm, Cl 8.8

2шт.

3

9804256

BOLT,Hex, M6 x 1 x 20mm, Full Thd, Cl 8.8

1шт.

4

9804258

BOLT,Hex, M8 x 1.25 x 20mm, Cl 8.8

1шт.

5

9804276

FLANGE NUT,Hex, M6 x 1, Cl 8

3шт.

6

9804277

FLANGE NUT,Hex, M8 x 1.25, Cl 8

1шт.

7

87718301

WIRE CONNECTOR,Flange

1шт.

8

47820698

Harness Support

BRACKET

1шт.

9

47825034

SCREW,Pan Head, #10 - 14 x 5/8"

4шт.

10

47860657

BRACKET

UCM Support, Gray

1шт.

11

47880247

CCV ISM

BRACKET

1шт.

12

47920667

WIRE HARNESS

Cab, EH

1шт.

13

47932510

BRACKET

Relay Shield, Gray

1шт.

14

47946336

Fuse Box Layout, EH

DECAL

1шт.

15

47961519

Chassis, EH

WIRE HARNESS

1шт.

16

82012869

CABLE TIE,300mm L, Nylon, Black

8шт.

17

84251343

SWITCH

Rocker, Drive Pattern

1шт.

18

84259663

CABLE TIE,228.6mm L, Nylon, Black

3шт.

19

84267444

SSL

ECU

1шт.

20

84318895

SPACER,17.97mm H

1шт.

21

84360210

BASE

Tie

1шт.

22

84360212

CABLE TIE,294.2mm L, Nylon

17шт.

23

84420746

CABLE TIE,403.9mm L, Nylon

10шт.

24

84420768

FASTENER,Pine Tree, 5/8" x 20.01mm

10шт.

25

86511839

BOLT,Hvy Hex, M6 x 30mm, Cl 8.8

4шт.

26

86511841

BOLT,Flng, M8 x 1.25 x 16mm, Full Thd, Cl 8.8

6шт.

27

86625073

SPRING NUT,M6 x 1

10шт.

28

86639241

NUT,Prev Torque, M5 x 0.8, Cl 8

1шт.

29

86639263

BOLT,Hex, M5, Cl 8

1шт.

30

87313351

CLIP,25.4mm, Coat, 8.7mm Bolt Hole, J Type

1шт.

31

87668737

CABLE TIE,203.2mm L, Nylon, Black

1шт.

32

87682398

SCREW,Torx, Round HD, M6 x 16mm, Cl 10.9

4шт.

Выбрано товаров: 32