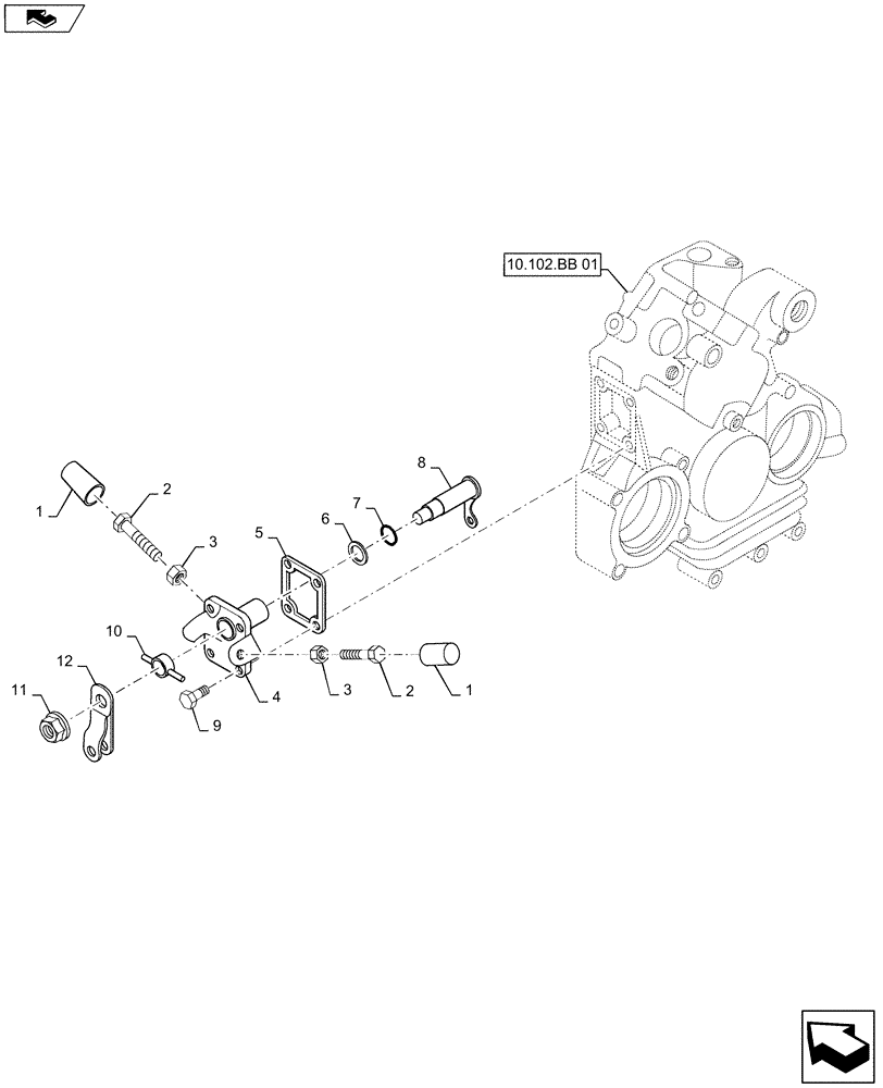
Запчасти Case IH SR160 (10.102.BB[02]) - SPEED LEVER COVER (10) - ENGINE

Схема запчастей Case IH SR160 - (10.102.BB[02]) - SPEED LEVER COVER (10) - ENGINE
2
2
7
12
6
1
1
5
9
11
3
10
8
3
4
home
10.102.bb 01
FIT
1:1
100%

Артикул

Название

Примечание

Количество

1

SBA131276470

CAP

2шт.

2

SBA012810640

BOLT

2шт.

3

SBA020109235

LOCK NUT

2шт.

4

SBA125616150

COVER

1шт.

5

SBA165996670

GASKET

1шт.

6

SBA036800008

SNAP RING

1шт.

7

SBA052109110

O-RING

1шт.

8

SBA125156263

ARM

1шт.

9

SBA011310614

BOLT

4шт.

10

SBA198217750

SPRING

1шт.

11

SBA023100008

NUT

1шт.

12

SBA125416440

LEVER

1шт.

Выбрано товаров: 12