Запчасти Case IH SR160 (10.400.BC) - THERMOSTAT (10) - ENGINE

Схема запчастей Case IH SR160 - (10.400.BC) - THERMOSTAT (10) - ENGINE
10.400.bb
home
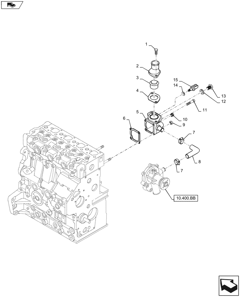
13
14
1
12
9
2
7
10
6
4
7
11
3
8
15
5
FIT
1:1
100%

Артикул

Название

Примечание

Количество

1

SBA010800820

BOLT

2шт.

2

SBA145226340

COVER

1шт.

3

SBA145206220

THERMOSTAT,71 Degrees C (160 Degrees F)

1шт.

4

SBA145996051

GASKET

1шт.

5

SBA145217210

COVER

1шт.

6

SBA145996710

GASKET

1шт.

7

SBA067100022

HOSE CLAMP

2шт.

8

SBA145536051

HOSE

1шт.

9

SBA023100006

NUT

4шт.

10

SBA064500030

PLUG,3/8"

1шт.

11

SBA011310645

CAPTIVE WASHER SCREW,Hex, M6 x 45, Cl 8.8

2шт.

12

SBA025100016

WASHER,16.4mm ID x 27mm OD x 2mm Thk

1шт.

13

SBA012110645

STUD

1шт.

14

SBA140996410

GASKET

1шт.

15

SBA385720530

SENSOR

1шт.

Выбрано товаров: 15