Запчасти Case IH SR160 (29.200.AI[03]) - FOOT CONTROLS MOUNTING ASSEMBLY (29) - HYDROSTATIC DRIVE

Схема запчастей Case IH SR160 - (29.200.AI[03]) - FOOT CONTROLS MOUNTING ASSEMBLY (29) - HYDROSTATIC DRIVE
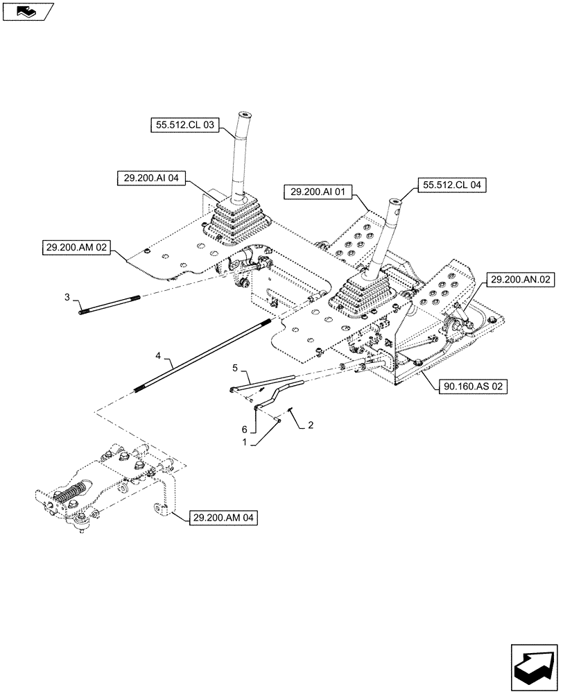
1
29.200.ai 01
home
5
55.512.cl 03
55.512.cl 04
6
4
2
90.160.as 02
3
29.200.am 02
29.200.am 04
29.200.ai 04
29.200.an.02
FIT
1:1
100%

Артикул

Название

Примечание

Количество

1

234726

CLEVIS PIN,6.29mm OD x 20mm L

2шт.

2

D131983

COTTER PIN,1.04mm OD x 21.4mm L, Ring

Cotter

2шт.

3

84321900

Ground Drive, Manual, LH

MOUNTING ROD

1шт.

4

84321899

Ground Drive, Manual, RH

MOUNTING ROD

1шт.

5

84321369

ROD,9.53mm OD x 319mm L

Valve, Boom Lift

1шт.

6

84321368

ROD,9.53mm OD x 274.1mm L

Valve, Bucket Tip

1шт.

Выбрано товаров: 6