Запчасти Case IH SR175 (55.101.AC[05]) - MAIN ELECTRICAL, E-H CONTROLS, ENCLOSED CAB, MEDIUM FRAME, NRC (55) - ELECTRICAL SYSTEMS

Схема запчастей Case IH SR175 - (55.101.AC[05]) - MAIN ELECTRICAL, E-H CONTROLS, ENCLOSED CAB, MEDIUM FRAME, NRC (55) - ELECTRICAL SYSTEMS
55.100.do 03
5
home
18
6
12
9
6
27
8
20
13
2
25
22
5
1
28
14
11
26
27
23
27
4
24
17
29
10
7
21
16
3
19
6
15
FIT
1:1
100%

Артикул

Название

Примечание

Количество

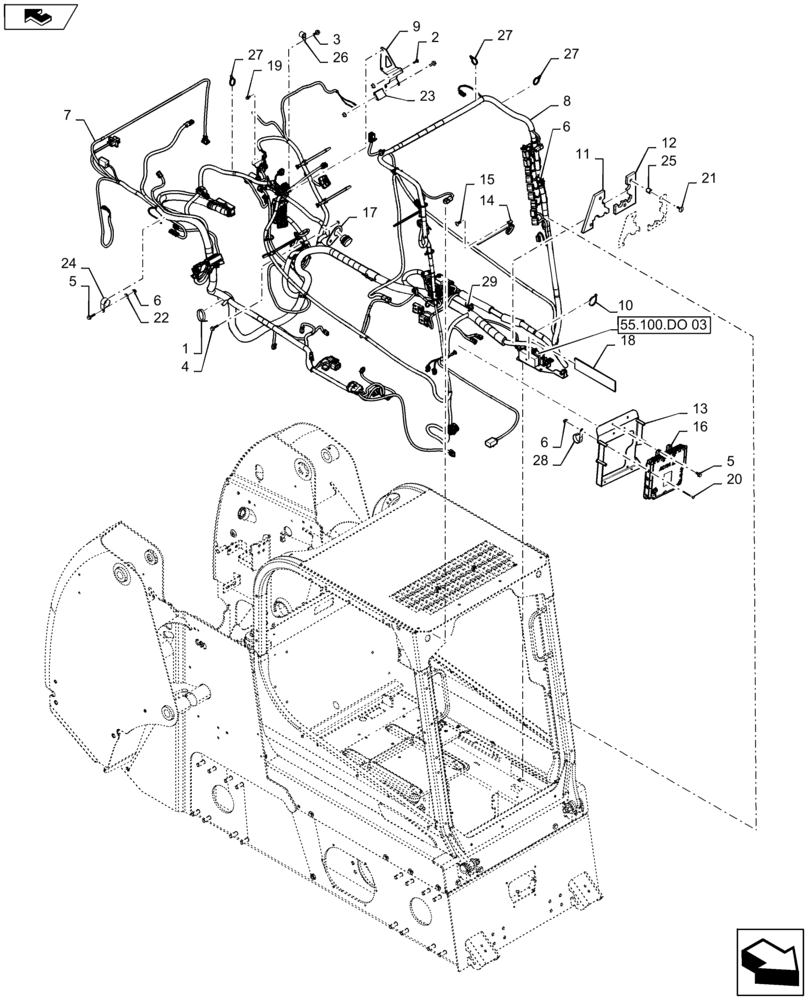
1

263117

CABLE TIE,292.1mm L, Nylon, Black

2шт.

2

9706703

CARRIAGE BOLT,Sht Sq Nk, M6 x 1 x 20mm, Cl 8.8, Full Thd

2шт.

3

9804255

BOLT,Hex, M6 x 1 x 16mm, Full Thd, Cl 8.8

4шт.

4

9804256

BOLT,Hex, M6 x 1 x 20mm, Full Thd, Cl 8.8

1шт.

5

9804257

FLANGE BOLT,Hex, M6 x 1.0 x 25mm, Cl 8.8, Full Thd

5шт.

6

9804276

FLANGE NUT,Hex, M6 x 1, Cl 8

12шт.

7

47377776

Chassis, E-H Controls, Years: -09-SEP-13

WIRE HARNESS

1шт.

7

47523499

Chassis, E-H Controls, Start Year: 10-SEP-13

WIRE HARNESS

1шт.

8

47377762

WIRE HARNESS

Cab, E-H Controls

1шт.

9

47510427

Fuse/Relay Mounting

ANGLE

1шт.

10

87668737

CABLE TIE,203.2mm L, Nylon, Black

Fir Tree Assy

1шт.

11

84309937

Assy, LH, Outer

SEAL

1шт.

12

84309938

Assy, LH, Inner

SEAL

1шт.

13

84332287

ECM

BRACKET

1шт.

14

84420746

CABLE TIE,403.9mm L, Nylon

Tie

10шт.

15

84420768

FASTENER,Pine Tree, 5/8" x 20.01mm

10шт.

16

84529539

Chassis ECM

ECU

1шт.

16

84529539R

Reman For New P/N 84529539

REMAN ELECT CONTROL

1шт.

16

84529539C

Return Number

CORE-ELECTRONIC CONT

1шт.

17

84541427

Engine Harness Interface

BRACKET

1шт.

18

84553024

DECAL

Fuse Box Layout, Years: -13-JUL-15

1шт.

18

47864567

Fuse Box Layout, Start Year: 14-JUL-15

DECAL

1шт.

19

86511841

BOLT,Flng, M8 x 1.25 x 16mm, Full Thd, Cl 8.8

4шт.

20

86512442

CARRIAGE BOLT,Sht Sq Nk, M6 x 80mm, Cl 8.8

4шт.

21

86620930

FASTENER,Push-In, 1.10" L, Nylon

4шт.

22

86624182

WASHER,6.6mm ID x 18mm OD x 1.6mm Thk

1шт.

23

86637977

CLAMP,25.4mm, Coat, 8.7mm Bolt Hole, P Type

2шт.

24

86639002

CLAMP,34.9mm, Coat, 11.9mm Bolt Hole, P Type

1шт.

25

87035448

SPACER,8.48mm ID x 12.7mm OD x 12.7mm L

4шт.

26

87037780

CLAMP,15.8mm, Coat, 8.7mm Bolt Hole, J Type

1шт.

27

87313351

CLIP,25.4mm, Coat, 8.7mm Bolt Hole, J Type

1шт.

28

87313355

CLAMP,38.1mm, Coat, 8.7mm Bolt Hole, J Type

2шт.

29

L71879

DIODE ELEMENT,400V, 3A

3 AMP, Bullet Connector

2шт.

Выбрано товаров: 33