Запчасти Case IH SR175 (10.106.AO) - ROCKER ARMS (10) - ENGINE

Схема запчастей Case IH SR175 - (10.106.AO) - ROCKER ARMS (10) - ENGINE
4
16
12
7
18
16
6
9
15
14
16
11
10
19
17
8
3
13
1
17
2
10.101.01
5
FIT
1:1
100%

Артикул

Название

Примечание

Количество

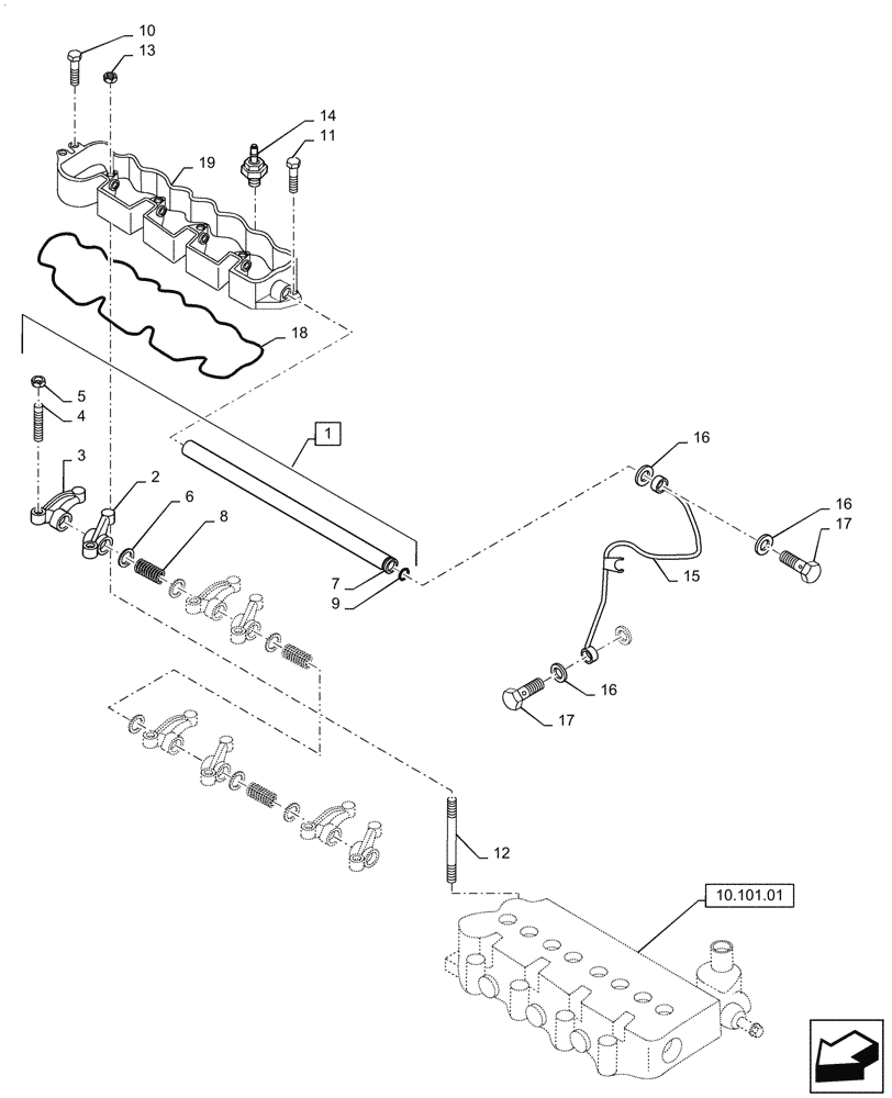
1

SBA120036393

ROCKER ARM

Assembly, Incl. Ref 2 - 9, 19

1шт.

2

SBA120356131

ROCKER ARM

Intake, Complete

4шт.

3

SBA120356141

ROCKER ARM

Exhaust, Complete

4шт.

4

SBA199486220

ADJUSTMENT SCREW

8шт.

5

SBA020109076

NUT

8шт.

6

SBA199280300

SHIM,0.5mm Thk

6шт.

7

SBA120316200

SHAFT

Rocker Arm

1шт.

8

SBA198217170

SPRING

3шт.

9

SBA052109076

O-RING,2.4mm Thk x 10.8mm ID

1шт.

10

SBA011310650

BOLT

1шт.

11

SBA011310625

CAPTIVE WASHER SCREW,Hex, M6 x 25, Cl 8.8

1шт.

12

SBA012109044

STUD

4шт.

13

SBA023109002

NUT

4шт.

14

SBA185246060

SENDER UNIT

Oil Pressure Switch

1шт.

15a

SBA140607020

RIGID TUBE

If Used

1шт.

16

SBA140996260

SEAL

4шт.

17

SBA198486780

BANJO BOLT

M8 x 1.25; If Used

2шт.

17

SBA198487840

SCREW

M10 x 1.5; If Used

2шт.

18

SBA052109074

O-RING,3mm Thk x 368mm ID, 70 Duro

1шт.

19

SBA120346341

COVER

Rocker Arm

1шт.

Выбрано товаров: 20