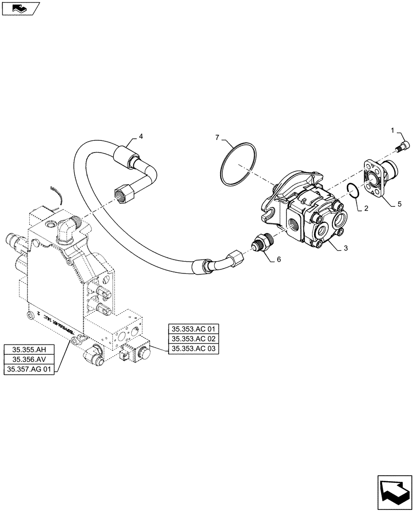
Запчасти Case IH SR175 (35.220.AA[01]) - STANDARD GEAR PUMP (35) - HYDRAULIC SYSTEMS

Схема запчастей Case IH SR175 - (35.220.AA[01]) - STANDARD GEAR PUMP (35) - HYDRAULIC SYSTEMS
35.353.ac 02
7
35.357.ag 01
35.356.av
2
35.355.ah
35.353.ac 03
5
35.353.ac 01
4
3
home
6
1
FIT
1:1
100%

Артикул

Название

Примечание

Количество

1

14307321

HEX SOC SCREW,M10 x 1.25 x 20mm, Full Thd, Cl 8.8

4шт.

2

14463580

O-RING,0.139" Thk x 1.17" ID, -217, Cl 5, 75 Duro

1шт.

3

84256517

24.9CC Gear

PUMP,24.9 CC

1шт.

4

84330502

Valve Supply

HOSE,9.53mm ID x 830mm L, SAE 100R17

1шт.

5

84561027

Gear Pump Suction

FITTING

1шт.

6

86507102

HYD CONNECTOR,1-1/16" - 12 ORB x 7/8" - 14 JIC

1шт.

7

84389261

Pump 24.9CC

SEAL KIT

1шт.

Выбрано товаров: 7