Запчасти Case IH SR175 (55.101.AC[04]) - WIRE HARNESS & CONNECTOR, ELECTRONIC CONTROLS, OPEN CAB (17-JUN-2015 & PRIOR) (55) - ELECTRICAL SYSTEMS

Схема запчастей Case IH SR175 - (55.101.AC[04]) - WIRE HARNESS & CONNECTOR, ELECTRONIC CONTROLS, OPEN CAB (17-JUN-2015 & PRIOR) (55) - ELECTRICAL SYSTEMS
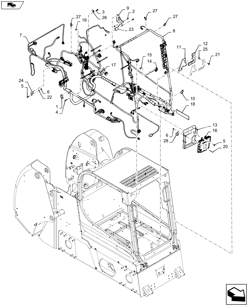
7
15
6
9
4
28
17
19
home
27
26
5
16
5
27
10
3
12
21
2
23
1
6
27
18
20
13
22
11
25
14
8
24
FIT
1:1
100%

Артикул

Название

Примечание

Количество

1

263117

CABLE TIE,292.1mm L, Nylon, Black

2шт.

2

9706703

CARRIAGE BOLT,Sht Sq Nk, M6 x 1 x 20mm, Cl 8.8, Full Thd

2шт.

3

9804255

BOLT,Hex, M6 x 1 x 16mm, Full Thd, Cl 8.8

4шт.

4

9804256

BOLT,Hex, M6 x 1 x 20mm, Full Thd, Cl 8.8

1шт.

5

9804257

FLANGE BOLT,Hex, M6 x 1.0 x 25mm, Cl 8.8, Full Thd

5шт.

6

9804276

FLANGE NUT,Hex, M6 x 1, Cl 8

12шт.

7

47377801

Chassis, E-H Controls, Incl 29, 31 - 43, Years: -09-SEP-13

WIRE HARNESS

1шт.

7

47523489

Chassis, E-H Controls, Incl 29, 31 - 43, Start Year: 10-SEP-13

WIRE HARNESS

1шт.

8

47385476

Cab, E-H Controls, Open Cab, Incl 29 - 30

WIRE HARNESS

1шт.

9

47510427

Fuse/Relay Mounting

ANGLE

1шт.

10

87668737

CABLE TIE,203.2mm L, Nylon, Black

1шт.

11

84309937

Assembly, LH, Outer, Years: -18-FEB-14

SEAL

1шт.

11

47535366

Assembly, LH, Outer, Start Year: 19-FEB-14

SEAL

1шт.

12

84309938

Assembly, LH, Inner, Years: -18-FEB-14

SEAL

1шт.

12

47535368

Assembly, LH, Inner, Start Year: 19-FEB-14

SEAL

1шт.

13

84332287

ECM

BRACKET

1шт.

14

84420746

CABLE TIE,403.9mm L, Nylon

Tie, 10" With Screw Hole

10шт.

15

84420768

FASTENER,Pine Tree, 5/8" x 20.01mm

10шт.

16

84529539

Chassis ECM

ECU

1шт.

16

84529539R

Reman For New P/N 84529539

REMAN ELECT CONTROL

1шт.

16

84529539C

Return Number

CORE-ELECTRONIC CONT

1шт.

17

84541427

Engine Harness Interface

BRACKET

1шт.

18

84553024

DECAL

Fuse Box Layout, E-H Controls, Years: -09-SEP-13

1шт.

18

47544624

Fuse Box Layout, E-H Controls, Start Year: 10-SEP-13

DECAL

1шт.

19

86511841

BOLT,Flng, M8 x 1.25 x 16mm, Full Thd, Cl 8.8

4шт.

20

86512442

CARRIAGE BOLT,Sht Sq Nk, M6 x 80mm, Cl 8.8

M6 - 1 x 80mm, Class 8.8, ZND

4шт.

21

86620930

FASTENER,Push-In, 1.10" L, Nylon

Fir Tree, 1" Dia Head, Black

4шт.

22

86624182

WASHER,6.6mm ID x 18mm OD x 1.6mm Thk

1шт.

23

86637977

CLAMP,25.4mm, Coat, 8.7mm Bolt Hole, P Type

2шт.

24

86639002

CLAMP,34.9mm, Coat, 11.9mm Bolt Hole, P Type

1шт.

25

87035448

SPACER,8.48mm ID x 12.7mm OD x 12.7mm L

4шт.

26

87037780

CLAMP,15.8mm, Coat, 8.7mm Bolt Hole, J Type

1шт.

27

87313351

CLIP,25.4mm, Coat, 8.7mm Bolt Hole, J Type

J, 25.4mm Insulated, CST, ZND, M8 Bolt

1шт.

28

87313355

CLAMP,38.1mm, Coat, 8.7mm Bolt Hole, J Type

J, 38.1mm Insulated, CST, ZND, M8 Bolt

2шт.

29

L71879

DIODE ELEMENT,400V, 3A

3 Amp, Bullet Connector, Accessory Backfeed, Not Shown

2шт.

30

774735

DIODE,6A

Hazard Switch Indicator Backfeed, Not Shown

1шт.

31

84535086

SRS 2W Receptacle

DIODE

1шт.

32

121849A1

FUSE,Mini, 2 Amp

Not Shown

5шт.

33

121850A1

FUSE,3A, Mini, Violet

Not Shown

3шт.

34

121851A1

Not Shown

FUSE,4A, Mini, Pink

7шт.

35

121410A1

FUSE,5A, Mini, Tan

Not Shown

3шт.

36

121411A1

FUSE,7.5A, Mini, Brown

Not Shown

2шт.

37

121412A1

FUSE,10A, Mini, Red

Not Shown

5шт.

38

121413A1

FUSE,15A, Mini, Blue

Not Shown

4шт.

39

121414A1

FUSE,20A, Mini, Yellow

Not Shown

3шт.

40

121415A1

FUSE,25A, Mini, Clear

Not Shown

5шт.

41

121416A1

FUSE,30A, Mini, Green

Not Shown

1шт.

42

87655334

RELAY,12V, 35A, Micro

Not Shown

7шт.

43

82013124

RELAY,12V, 30A

ABS/Glow Plugs, Not Shown

2шт.

44

84297432

Not Shown

RELAY,12V, 70A

1шт.

Выбрано товаров: 50