Запчасти Case IH SR175 (55.512.BG[01]) - A-POST CONSOLE, LH SWITCHES (55) - ELECTRICAL SYSTEMS

Схема запчастей Case IH SR175 - (55.512.BG[01]) - A-POST CONSOLE, LH SWITCHES (55) - ELECTRICAL SYSTEMS
12
13
10
9
6
4
11
5
50.100.ak 02
1
7
2
8
3
50.100.ak 01
home
FIT
1:1
100%

Артикул

Название

Примечание

Количество

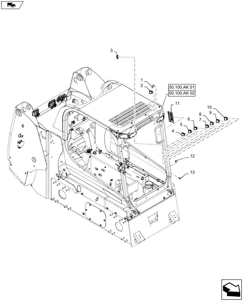
1

86604657

INDICATOR, TURN SIGN

3 Prong

1шт.

2

84251346

SWITCH

Rocker, Hydraulic Coupler

1шт.

3

84388282

INDICATOR

High Speed

1шт.

4

133714A1

BEACON SWITCH

Rocker, Rotating Beacon

1шт.

5

87634133

SWITCH

Hazard Lights

1шт.

6

84271904

SWITCH

Rocker, Self Leveling

1шт.

7

84251427

SWITCH

Rocker, High Flow

1шт.

8

84392527

SWITCH

Rocker, AUX Elec

1шт.

9

87335499

SWITCH

Rocker, Windshield Wiper/Washer

1шт.

10

84263153

SWITCH

Rocker, Loader Lockout

1шт.

11

84491577

DECAL

LH, A-Post

1шт.

12

86625073

SPRING NUT,M6 x 1

2шт.

13

87682398

SCREW,Torx, Round HD, M6 x 16mm, Cl 10.9

2шт.

Выбрано товаров: 0