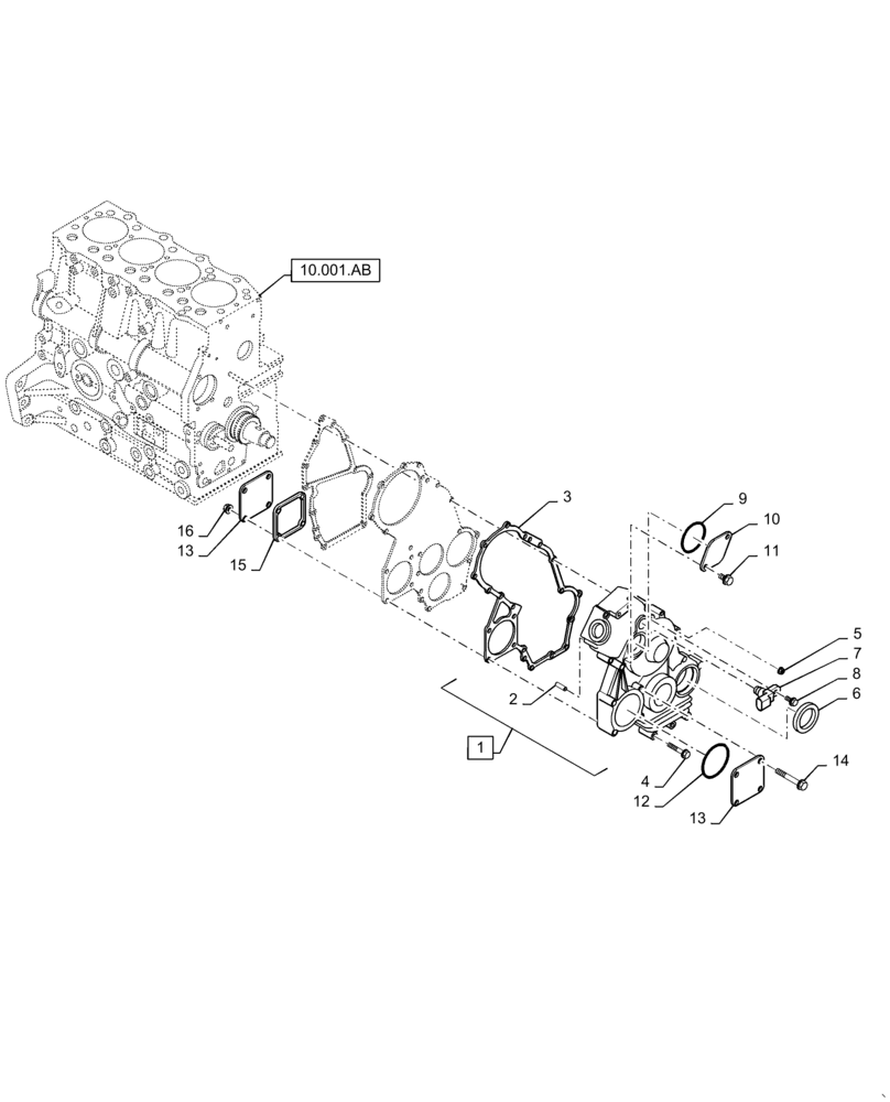
Запчасти Case IH SR175 (10.102.BB) - FRONT ENGINE COVER (10) - ENGINE

Схема запчастей Case IH SR175 - (10.102.BB) - FRONT ENGINE COVER (10) - ENGINE
8
1
16
13
13
10.001.ab
9
7
6
15
12
10
5
11
14
2
4
3
FIT
1:1
100%

Артикул

Название

Примечание

Количество

1

SBA165107120

Front Cover, Incl 2

HOUSING

1шт.

2

SBA030300414

PIN

1шт.

3

SBA165996740

Front Gear Case

GASKET

1шт.

4

SBA011310640

CAPTIVE WASHER SCREW,Hex, M6 x 40, Cl 8.8

14шт.

5

SBA023100006

NUT

2шт.

6

SBA198636160

SEAL,M35 x 55 x 11

1шт.

7

SBA185746170

Sensor

SENSOR

1шт.

8

SBA011310616

BOLT,M6 x 1 x 16, Cl 8.8

1шт.

9

SBA052400480

O-Ring

O-RING

1шт.

10

SBA165206740

COVER

1шт.

11

SBA011510816

BOLT

2шт.

12

SBA052109111

O-Ring

O-RING

1шт.

13

SBA165206510

COVER

2шт.

14

SBA010310865

BOLT

4шт.

15

SBA165996610

GASKET

Cover

1шт.

16

SBA023100008

NUT

4шт.

Выбрано товаров: 16