Качественные детали и логистика
Оригинальные и аналоговые запчасти с доставкой по России, Казахстану и Беларуси
©2022 PartSell ООО "Система" ИНН 2463123282 ОГРН 1212400004838
Центральный офис: г. Красноярск, Академика Киренского, д.87, пом.4
Телефон: 8 (800) 777-65-74 Email: zakaz@partsell.ru
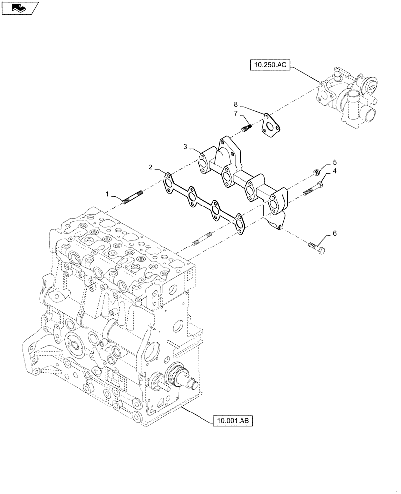
(10.254.AC) - EXHAUST MANIFOLD
№
Артикул
Название
Примечание
Количество
1
SBA012110860
STUD
2шт.
2
SBA135997200
Exhaust Manifold
GASKET
1шт.
3
SBA135617880
Exhaust
EXHAUST MANIFOLD
4
SBA011510860
CAPTIVE WASHER SCREW,Hex, M8 x 60, G5
6шт.
5
SBA023100008
NUT
6
SBA011510845
BOLT
7
SBA012109235
3шт.
8
SBA135997240
Turbocharger
Выбрано товаров: 0