Запчасти Case IH SR175 (29.204.AB[04]) - HYDROSTATIC PUMP, SUPPLY LINES, E-H CONTROLS (29) - HYDROSTATIC DRIVE

Схема запчастей Case IH SR175 - (29.204.AB[04]) - HYDROSTATIC PUMP, SUPPLY LINES, E-H CONTROLS (29) - HYDROSTATIC DRIVE
9
7
12
3
11
8
2
7
8
6
35.220.aa 01
8
10
home
35.300.ad 02
6
15
29.218.ac 03
14
16
35.220.aa 02
8
1
5
35.300.ad 01
5
17
13
16
4
11
4
FIT
1:1
100%

Артикул

Название

Примечание

Количество

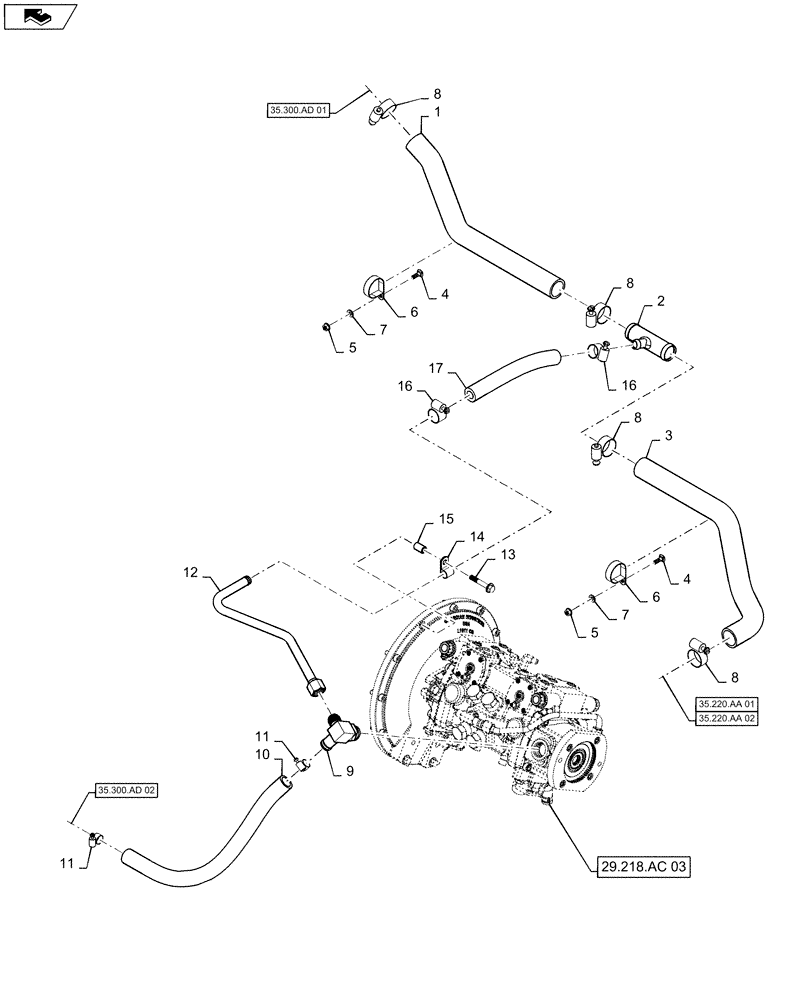
1

84349294

Gear Pump Suction

HOSE

1шт.

2

84511713

24 X 24 X 12 Bead

TEE,-24 Bead x -24 Bead x -12 Bead

1шт.

3

84349295

Gear Pump Suction

HOSE,38.1mm ID

1шт.

4

308761

CARRIAGE BOLT,M8 x 1.25 x 25mm, Cl 8.8

2шт.

5

9804277

FLANGE NUT,Hex, M8 x 1.25, Cl 8

2шт.

6

84265306

CLAMP,47.6mm, Coat, 8.7mm Bolt Hole, P Type

47.6mm

2шт.

7

87655042

8.80 X 17.5 X 2.2mm

SPECIAL WASHER,8.8mm ID x 17.5mm OD x 2.2mm Thk

2шт.

8

513309

HOSE CLAMP,1-1/16” - 2”, Worm Gear

4шт.

9

84344925

45 ELBOW,1-5/16" - 12 ORB x 1-1/16" - 12 JIC x -16 Hose Barb

16 X 16 Bead X 12MJ

1шт.

10

84349308

Charge Supply

HOSE,25mm ID x 500mm OAL

1шт.

11

507586

HOSE CLAMP,20.6mm - 44.4mm, Worm Gear

2шт.

12

84344934

Tandem Supply

RIGID TUBE,19.05mm OD

1шт.

13

9804264

FLANGE BOLT,M10 x 50mm, 26mm Thd, Cl 8.8

1шт.

14

86637999

CLAMP,19mm, Coat, 11.9mm Bolt Hole, P Type

1шт.

15

84277083

18.1mm OAL

TUBE SPACER,11.1mm ID x 15.9mm OD x 18.1mm L

1шт.

16

86625021

HOSE CLAMP,17.5mm - 31.7mm, Worm Gear

2шт.

17

84344942

HOSE,19.05mm OD x 280mm L

Tandem Supply

1шт.

Выбрано товаров: 17