Запчасти Case IH SR200 (55.101.AC[03]) - ELECTRICAL ELECTRO-HYDRAULIC MED OPEN CAB (SR175 - SR200, TR270) (55) - ELECTRICAL SYSTEMS

Схема запчастей Case IH SR200 - (55.101.AC[03]) - ELECTRICAL ELECTRO-HYDRAULIC MED OPEN CAB (SR175 - SR200, TR270) (55) - ELECTRICAL SYSTEMS
16
13
15
1
11
13
2
3
4
8
90.150.ac
9
12
17
14
10
7
16
18
13
6
15
5
FIT
1:1
100%

Артикул

Название

Примечание

Количество

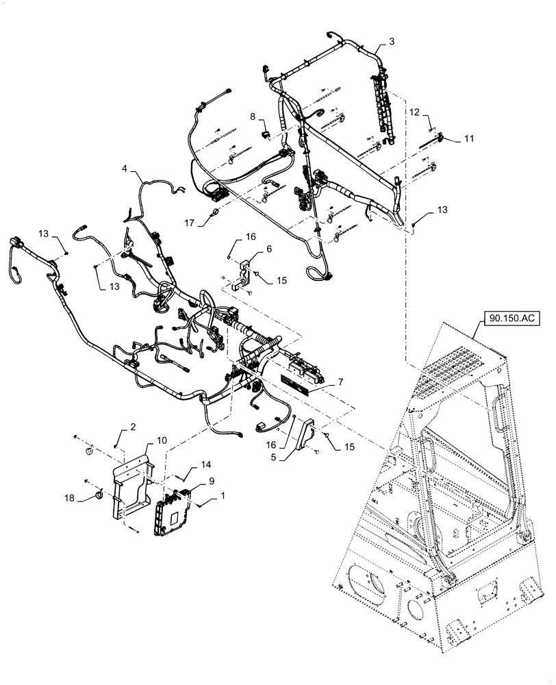
1

9804257

FLANGE BOLT,Hex, M6 x 1.0 x 25mm, Cl 8.8, Full Thd

4шт.

2

9804276

FLANGE NUT,Hex, M6 x 1, Cl 8

4шт.

3

84426072

Cab, EH, Basic, Years: -14-MAR-12

WIRE HARNESS

1шт.

3

84550994

Cab, EH, Basic, Years: 15-MAR-12-14-NOV-12

WIRE HARNESS

1шт.

3

47377765

WIRE HARNESS

Cab, EH, Basic, Start Year: 15-NOV-12

1шт.

4

84605450

WIRE HARNESS

Chassis, EH, Years: -30-APR-13

1шт.

4

47377776

Chassis, EH, Years: 01-MAY-13-09-SEP-13

WIRE HARNESS

1шт.

4

47523499

Chassis, EH, Start Year: 10-SEP-13

WIRE HARNESS

1шт.

5

84309937

Assy, LH, Years: -18-FEB-13

SEAL

1шт.

5

47535366

Assy, LH, Start Year: 19-FEB-13

SEAL

1шт.

6

84309938

Assy, LH, Years: -18-FEB-13

SEAL

1шт.

6

47535368

Assy, LH, Start Year: 19-FEB-13

SEAL

1шт.

7

84380452

Fuse Box Layout, EH, Years: -09-SEP-13

DECAL

1шт.

7

47544620

Fuse Box Layout, EH, Start Year: 10-SEP-13

DECAL

1шт.

8

84251343

SWITCH

Rocker, Drive Pattern

1шт.

9

84267444

UCM, SSL

ECU

1шт.

10

84332287

ECM

BRACKET

1шт.

11

84420746

CABLE TIE,403.9mm L, Nylon

Tie

10шт.

12

84420768

FASTENER,Pine Tree, 5/8" x 20.01mm

10шт.

13

86511841

BOLT,Flng, M8 x 1.25 x 16mm, Full Thd, Cl 8.8

4шт.

14

86512442

CARRIAGE BOLT,Sht Sq Nk, M6 x 80mm, Cl 8.8

4шт.

15

86620930

FASTENER,Push-In, 1.10" L, Nylon

4шт.

16

87035448

SPACER,8.48mm ID x 12.7mm OD x 12.7mm L

4шт.

17

87313351

CLIP,25.4mm, Coat, 8.7mm Bolt Hole, J Type

1шт.

18

87313355

CLAMP,38.1mm, Coat, 8.7mm Bolt Hole, J Type

2шт.

Выбрано товаров: 25