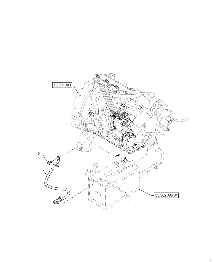
Запчасти Case IH SR200 (55.302.AI[02]) - NO BATTERY DISCONNECT MED F5C (SR200, TR270) (55) - ELECTRICAL SYSTEMS

Схема запчастей Case IH SR200 - (55.302.AI[02]) - NO BATTERY DISCONNECT MED F5C (SR200, TR270) (55) - ELECTRICAL SYSTEMS
10.001.ad
1
2
55.302.ag 01
FIT
1:1
100%

Артикул

Название

Примечание

Количество

1

84298931

NEG BATTERY CABLE

1шт.

2

87698844

BOLT,Hex, M12 x 1.75 x 20mm, Full Thd, Cl 10.9

Flange, M12 X 20 Full

1шт.

Выбрано товаров: 2