Запчасти Case IH SR200 (90.116.AX) - CHASSIS VENT PANEL (90) - PLATFORM, CAB, BODYWORK AND DECALS

Схема запчастей Case IH SR200 - (90.116.AX) - CHASSIS VENT PANEL (90) - PLATFORM, CAB, BODYWORK AND DECALS
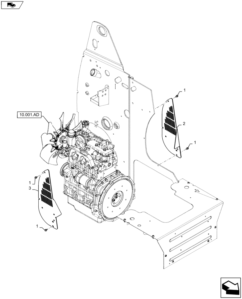
1
1
10.001.ad
home
3
1
1
2
FIT
1:1
100%

Артикул

Название

Примечание

Количество

1

84285339

SELF-TAP SCREW,Hex, M8 x 1.25 x 15mm

6шт.

2

84351125

LH, Gray

COVER PLATE

1шт.

3

84354588

RH, Gray

COVER PLATE

1шт.

Выбрано товаров: 3