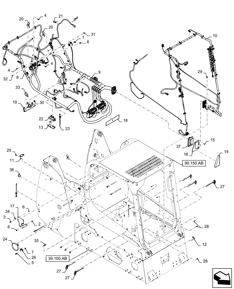
Запчасти Case IH SR210 (55.101.AC[02]) - WIRE HARNESS & CONNECTOR, MECHANICAL CONTROLS, OPEN CAB (04-JUN-2015 & NEWER) (55) - ELECTRICAL SYSTEMS

Схема запчастей Case IH SR210 - (55.101.AC[02]) - WIRE HARNESS & CONNECTOR, MECHANICAL CONTROLS, OPEN CAB (04-JUN-2015 & NEWER) (55) - ELECTRICAL SYSTEMS
33
6
17
20
5
9
36
35
19
10
2
39.100.ab
90.150.ab
7
37
3
34
30
16
8
6
22
32
28
20
12
6
27
4
21
1
25
15
13
18
24
27
26
14
28
31
27
29
11
4
23
4
FIT
1:1
100%

Артикул

Название

Примечание

Количество

1

263117

CABLE TIE,292.1mm L, Nylon, Black

Nylon

29шт.

2

9706703

CARRIAGE BOLT,Sht Sq Nk, M6 x 1 x 20mm, Cl 8.8, Full Thd

2шт.

3

9804255

BOLT,Hex, M6 x 1 x 16mm, Full Thd, Cl 8.8

3шт.

4

9804256

BOLT,Hex, M6 x 1 x 20mm, Full Thd, Cl 8.8

3шт.

5

9804258

BOLT,Hex, M8 x 1.25 x 20mm, Cl 8.8

1шт.

6

9804276

FLANGE NUT,Hex, M6 x 1, Cl 8

6шт.

7

9804277

FLANGE NUT,Hex, M8 x 1.25, Cl 8

1шт.

8

47803837

Rear Chassis, Open Cab, Years: -13-NOV-16

WIRE HARNESS

1шт.

8

47961523

Rear Chassis, Open Cab, Start Year: 14-NOV-16

WIRE HARNESS

1шт.

9

47803838

Chassis Mech, Open Cab, Years: -08-SEP-15

WIRE HARNESS

1шт.

9

47895193

Chassis Mech, Open Cab, Years: 09-SEP-15-13-NOV-16

WIRE HARNESS

1шт.

9

47961500

Chassis Mech, Open Cab, Start Year: 14-NOV-16

WIRE HARNESS

1шт.

10

47803841

Cab Mech, Open Cab, Years: -13-NOV-16

WIRE HARNESS

1шт.

10

47920666

WIRE HARNESS

Cab Mech, Open Cab, Start Year: 14-NOV-16

1шт.

11

47807585

BRACKET

Harness Crossover

1шт.

12

47807590

BRACKET

Crossover, Lower Guide

1шт.

13

47807591

BRACKET

Control Tray

1шт.

14

47825018

FOAM INSULATION,172mm L x 27.9mm Thk

LH Inner

1шт.

15

47825034

SCREW,Pan Head, #10 - 14 x 5/8"

4шт.

16

47825472

Bulk Head Adapter

PLATE

1шт.

17

47832750

Fuse Mounting, Gray

BRACKET

1шт.

18

47842042

Fuse Box Layout, Mechanical, Years: -13-NOV-16

DECAL

1шт.

18

47946320

Fuse Box Layout, Mechanical, Start Year: 14-NOV-16

DECAL

1шт.

19

47846376

Harness Retention

BRACKET

1шт.

20

82012869

CABLE TIE,300mm L, Nylon, Black

Double Loop, Nylon

7шт.

21

82013031

CABLE TIE,193mm L

Nylon

1шт.

22

84131374

MODULE

Prop Aux

1шт.

23

84259663

CABLE TIE,228.6mm L, Nylon, Black

Nylon

4шт.

24

84266050

CABLE TIE,384mm L, Polyamide

Nylon

1шт.

25

84285339

SELF-TAP SCREW,Hex, M8 x 1.25 x 15mm

1шт.

26

84360210

BASE

Tie

1шт.

27

84420746

CABLE TIE,403.9mm L, Nylon

Nylon

10шт.

28

84420768

FASTENER,Pine Tree, 5/8" x 20.01mm

10шт.

29

86511841

BOLT,Flng, M8 x 1.25 x 16mm, Full Thd, Cl 8.8

5шт.

30

86625256

WASHER,13.3mm ID x 28.5mm OD x 4mm Thk

2шт.

31

86639241

NUT,Prev Torque, M5 x 0.8, Cl 8

1шт.

32

86639263

BOLT,Hex, M5, Cl 8

1шт.

33

86991009

CABLE TIE,222mm L, Nylon

Nylon

2шт.

34

87037780

CLAMP,15.8mm, Coat, 8.7mm Bolt Hole, J Type

1шт.

35

87301490

CLAMP,12.7mm, Coat, 10.3mm Bolt Hole, J Type

1шт.

36

87668737

CABLE TIE,203.2mm L, Nylon, Black

FIR Tree Assy

6шт.

37

87718301

WIRE CONNECTOR,Flange

DRB Flange Interface

1шт.

Выбрано товаров: 42