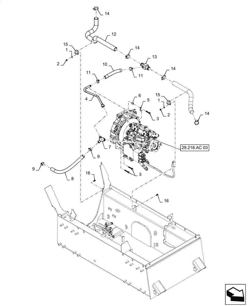
Запчасти Case IH SR210 (29.204.AB[04]) - HYDROSTATIC PUMP, SUPPLY LINES, E-H CONTROLS (29) - HYDROSTATIC DRIVE

Схема запчастей Case IH SR210 - (29.204.AB[04]) - HYDROSTATIC PUMP, SUPPLY LINES, E-H CONTROLS (29) - HYDROSTATIC DRIVE
29.218.ac 03
16
8
12
14
9
1
14
11
3
13
11
9
3
5
2
15
2
4
15
14
14
7
6
16
1
10
FIT
1:1
100%

Артикул

Название

Примечание

Количество

1

87655042

SPECIAL WASHER,8.8mm ID x 17.5mm OD x 2.2mm Thk

2шт.

2

9804277

FLANGE NUT,Hex, M8 x 1.25, Cl 8

2шт.

3

9804265

FLANGE BOLT,Hex, M10 x 60mm, Cl 8.8

3шт.

4

47821053

Tandem Supply

HYD TUBE

1шт.

5

86637999

CLAMP,19mm, Coat, 11.9mm Bolt Hole, P Type

1шт.

6

87022737

SPACER,11.1mm ID x 15.9mm OD x 25mm L

1шт.

7

84344924

90 ELBOW,1-5/16" - 12 ORB x 1-1/16" - 12 JIC x -16 Hose Barb

1шт.

8

84303515

Charge Supply

FLEXIBLE HOSE,25.4mm ID x 560mm L, SAE 100R4

1шт.

9

514920

HOSE CLAMP,20.6mm - 38.1mm, Worm Gear

2шт.

10

84344942

HOSE,19.05mm OD x 280mm L

Tandem Supply

1шт.

11

86625021

HOSE CLAMP,17.5mm - 31.7mm, Worm Gear

2шт.

12

47612618

Assy, Gear Pump Suction

HOSE,38.1mm ID

1шт.

13

47788716

TEE,3/4" Hose Barb x 1-1/2" Hose Barb x 1-1/2" Hose Barb

1шт.

14

513309

HOSE CLAMP,1-1/16” - 2”, Worm Gear

4шт.

15

84265306

CLAMP,47.6mm, Coat, 8.7mm Bolt Hole, P Type

2шт.

16

308761

CARRIAGE BOLT,M8 x 1.25 x 25mm, Cl 8.8

2шт.

Выбрано товаров: 16