Запчасти Case IH SR220 (10.402.02) - WATER PUMP & RELATED PARTS (504154685) (10) - ENGINE

Схема запчастей Case IH SR220 - (10.402.02) - WATER PUMP & RELATED PARTS (504154685) (10) - ENGINE
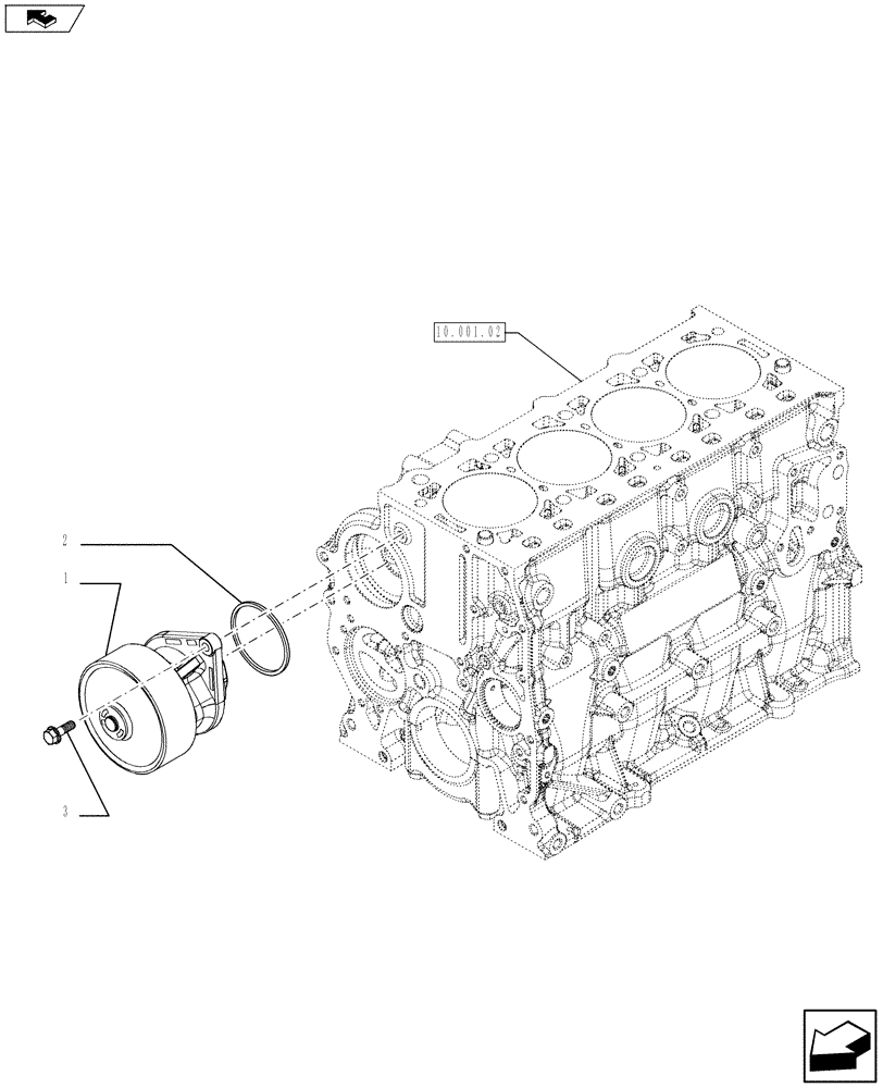
10.001.02
2
home
3
1
FIT
1:1
100%

Артикул

Название

Примечание

Количество

1

504216828

WATER PUMP

1шт.

1

504216828R

REMAN-WATER PUMP

1шт.

1

504216828C

CORE-WATER PUMP

Return Number

1шт.

2

2852047

SEALING RING,Square, 5.16mm Thk x 88.27mm ID

1шт.

3

16586424

SCREW,M8 x 25mm

M8 x 25

2шт.

Выбрано товаров: 0