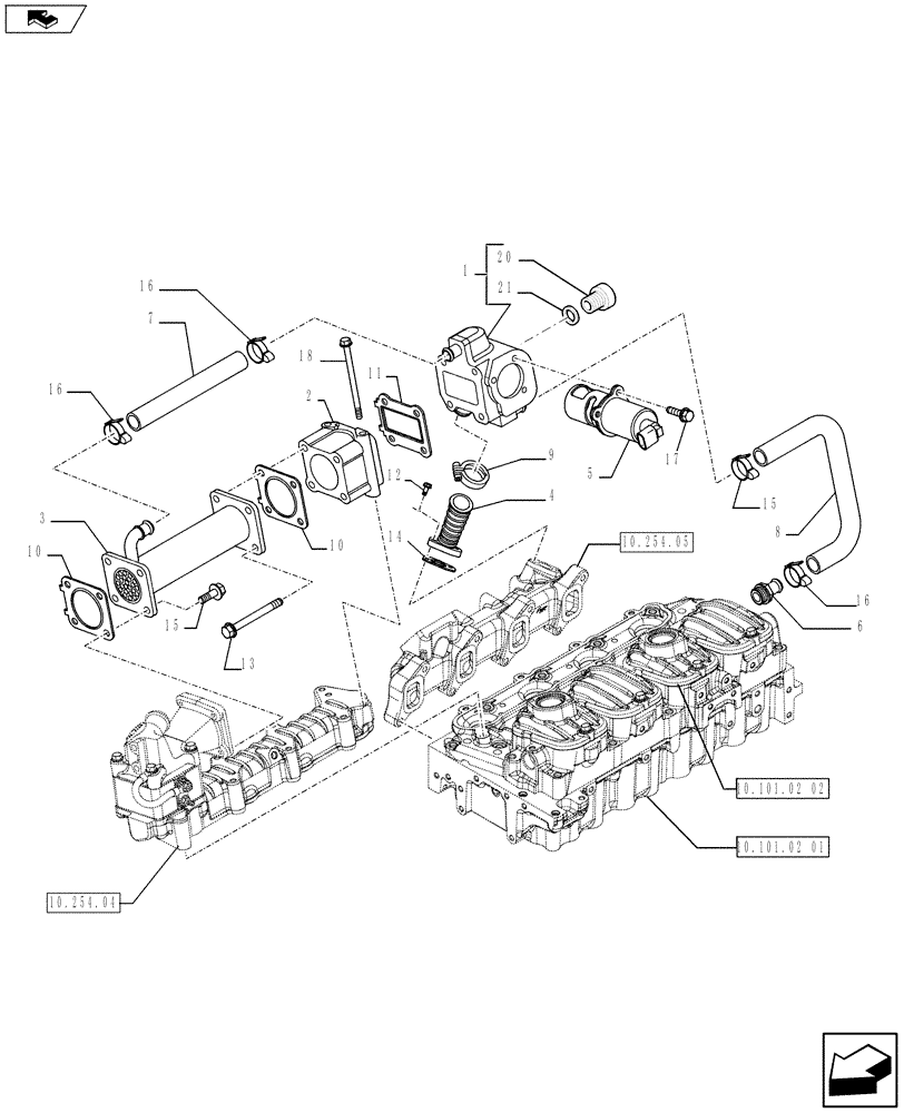
Запчасти Case IH SR220 (10.408.01) - HEAT EXCHANGER - ENGINE - EGR GROUP (504385853) (10) - ENGINE

Схема запчастей Case IH SR220 - (10.408.01) - HEAT EXCHANGER - ENGINE - EGR GROUP (504385853) (10) - ENGINE
20
18
17
4
10.101.02 01
14
10
2
21
12
7
5
10
16
16
1
9
10.254.05
10.254.04
6
15
15
13
8
11
3
home
10.101.02 02
16
FIT
1:1
100%

Артикул

Название

Примечание

Количество

1

504357765

BRACKET

1шт.

2

504385854

BRACKET

1шт.

3

504250954

HEAT EXCHANGER

1шт.

4

504220149

JUNCTION

1шт.

5

8097663

BY-PASS VALVE

1шт.

6

504249332

FITTING,M35 x 1.5, 18mm

1шт.

7

504357767

SLEEVE

1шт.

8

504357768

SLEEVE

1шт.

9

504196032

MOUNTING CLIP

1шт.

10

504221516

GASKET

2шт.

11

504221515

GASKET

1шт.

12

4798845

BOLT,M8 x 1.25 x 16.50mm

2шт.

13

2852267

FLANGE BOLT,Hex, M8 x 1.25 x 90mm

M8X90 mm

4шт.

14

504341194

GASKET

1шт.

15

16673735

BOLT,Hex, M8 x 1.25 x 25mm

M8X25 mm

4шт.

16

4893234

HOSE CLAMP

4шт.

17

504367631

BOLT,Flng, M6 x 18mm

M6X18 mm

3шт.

18

16598524

SCREW,M8 x 120mm

M8X120 mm

2шт.

19

504225741

GASKET

1шт.

20

10278301

PLUG,M28 x 1.5 x 11, Brass

M28 x 1.5

1шт.

21

99432291

GASKET,28mm ID

D=28 mm

1шт.

22

504363071

SCRAPER BLADE

1шт.

Выбрано товаров: 0