Запчасти Case IH SR220 (10.408.02) - HEAT EXCHANGER (504154694) (10) - ENGINE

Схема запчастей Case IH SR220 - (10.408.02) - HEAT EXCHANGER (504154694) (10) - ENGINE
2
10.250.01 01
10.001.02
10.250.01 01
10.250.01 01
6
7
5
5
1
home
8
4
3
FIT
1:1
100%

Артикул

Название

Примечание

Количество

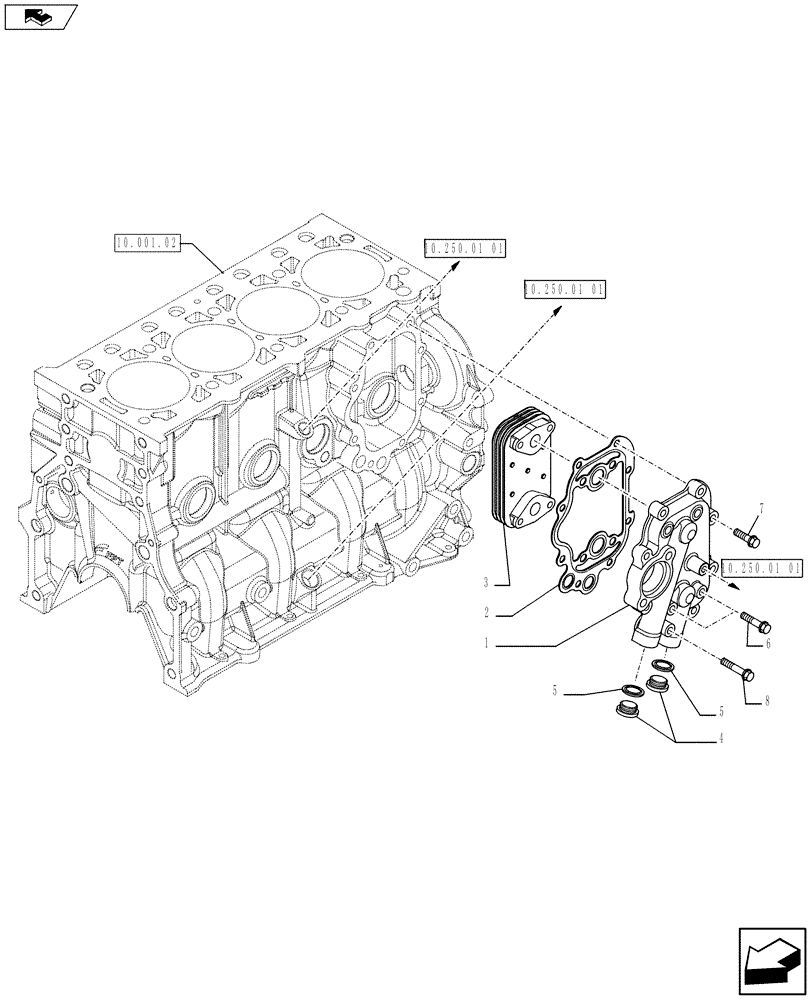
1

504155542

BODY

1шт.

2

504155544

GASKET

1шт.

3

504164307

OIL COOLER

1шт.

4

10275011

PLUG,M22 x 1.5 x 13

M22X1,5 mm

2шт.

5

87332142

SEAL,23.5mm ID x 30mm OD x 1.5mm Thk

D. 22 mm

2шт.

6

16586725

BOLT,Hex, M8 x 1.25 x 40mm

M8 x 1.25 x 40

2шт.

7

16673835

BOLT,Hex, M8 x 30mm

M8 x 30

9шт.

8

16586925

BOLT,M8 x 50mm

M8 x 50

1шт.

Выбрано товаров: 8