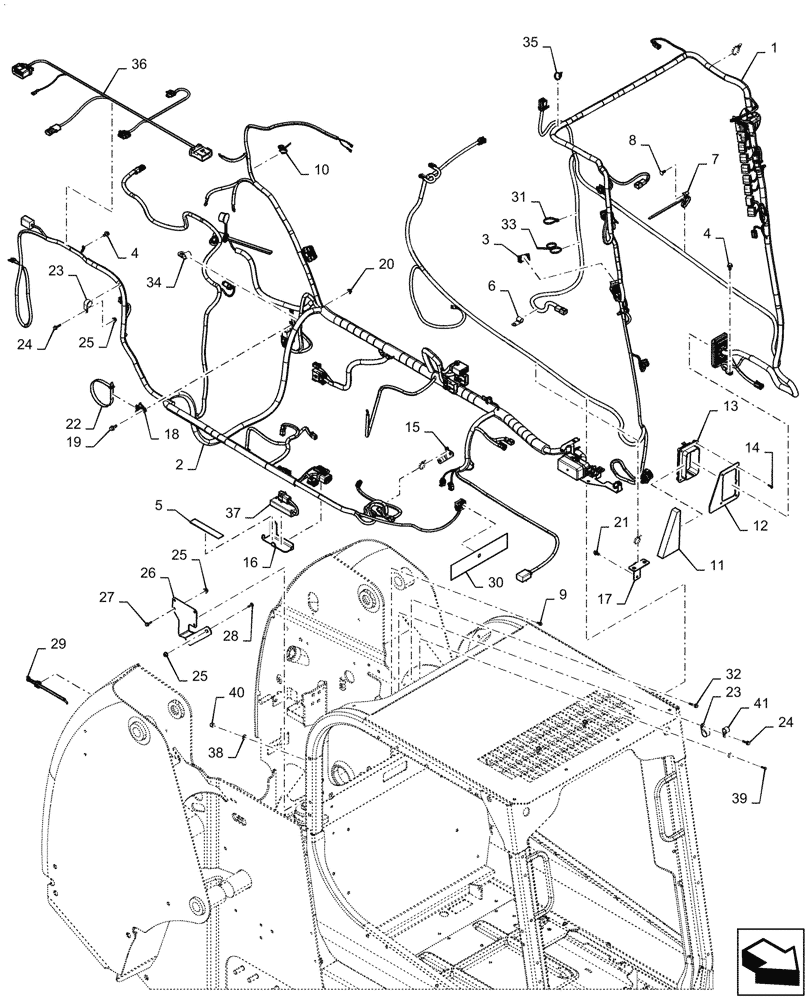
Запчасти Case IH SR220 (55.101.AC[02]) - WIRE HARNESS & CONNECTOR, MECHANICAL CONTROLS, OPEN CAB (21-MAY-2015 THRU 13-NOV-2016) (55) - ELECTRICAL SYSTEMS

Схема запчастей Case IH SR220 - (55.101.AC[02]) - WIRE HARNESS & CONNECTOR, MECHANICAL CONTROLS, OPEN CAB (21-MAY-2015 THRU 13-NOV-2016) (55) - ELECTRICAL SYSTEMS
16
10
26
41
29
36
28
18
22
31
1
40
4
27
23
30
5
25
17
24
4
7
13
33
9
23
11
32
25
35
38
34
21
8
37
14
12
2
24
20
6
19
3
39
15
25
FIT
1:1
100%

Артикул

Название

Примечание

Количество

1

47813023

Cab, Mechanical

WIRE HARNESS

1шт.

2

47813038

Chassis, Mechanical

WIRE HARNESS

1шт.

3

126844A1

PLUG,1.427” x .62” , Plastic

1шт.

4

86511841

BOLT,Flng, M8 x 1.25 x 16mm, Full Thd, Cl 8.8

6шт.

5

87739941

Double Sided, Cut to Length, 150mm

TAPE

1шт.

6

87301490

CLAMP,12.7mm, Coat, 10.3mm Bolt Hole, J Type

1шт.

7

84420746

CABLE TIE,403.9mm L, Nylon

10шт.

8

84420768

FASTENER,Pine Tree, 5/8" x 20.01mm

10шт.

9

86625199

SELF-TAP SCREW,Hex, M6 x 1 x 13mm

1шт.

10

82013031

CABLE TIE,193mm L

1шт.

11

47825018

FOAM INSULATION,172mm L x 27.9mm Thk

1шт.

12

47825472

Bulkhead Adapter, Gray

PLATE

1шт.

13

87718301

WIRE CONNECTOR,Flange

1шт.

14

47825034

SCREW,Pan Head, #10 - 14 x 5/8"

4шт.

15

47807590

BRACKET

Crossover, Lower Guide

1шт.

16

47807591

BRACKET

Control Tray

1шт.

17

47807585

BRACKET

Harness Crossover

1шт.

18

84360210

BASE

Tie

1шт.

19

9804258

BOLT,Hex, M8 x 1.25 x 20mm, Cl 8.8

1шт.

20

9804277

FLANGE NUT,Hex, M8 x 1.25, Cl 8

1шт.

21

84285339

SELF-TAP SCREW,Hex, M8 x 1.25 x 15mm

1шт.

22

84266050

CABLE TIE,384mm L, Polyamide

1шт.

23

86637977

CLAMP,25.4mm, Coat, 8.7mm Bolt Hole, P Type

2шт.

24

9804257

FLANGE BOLT,Hex, M6 x 1.0 x 25mm, Cl 8.8, Full Thd

2шт.

25

9804276

FLANGE NUT,Hex, M6 x 1, Cl 8

5шт.

26

47832750

GCU Fuse Mounting

BRACKET

1шт.

27

9804255

BOLT,Hex, M6 x 1 x 16mm, Full Thd, Cl 8.8

2шт.

28

9706703

CARRIAGE BOLT,Sht Sq Nk, M6 x 1 x 20mm, Cl 8.8, Full Thd

2шт.

29

84259663

CABLE TIE,228.6mm L, Nylon, Black

5шт.

30

47864568

Fuse Box Layout

DECAL

1шт.

31

L11541

CABLE TIE,203.2mm L, Nylon

1шт.

32

87015931

BOLT,Hvy Hex, M6 x 35mm, Cl 8.8

1шт.

33

82012869

CABLE TIE,300mm L, Nylon, Black

1шт.

34

86598598

CLAMP,19mm, Insulated, 13.5mm Bolt Hole - P Type

1шт.

35

263117

CABLE TIE,292.1mm L, Nylon, Black

3шт.

36

47818404

Chassis, RH Tower

WIRE HARNESS

1шт.

37

84131374

MODULE

Prop Aux

1шт.

38

80707

WASHER,0.25" ID x 0.56" OD x 0.05" Thk

2шт.

39

87308282

SCREW,HWH, #10 - 32 x 3/4"

1шт.

40

86639241

NUT,Prev Torque, M5 x 0.8, Cl 8

1шт.

41

86637976

CLAMP,19mm, Coat, 8.7mm Bolt Hole, P Type

1шт.

Выбрано товаров: 0