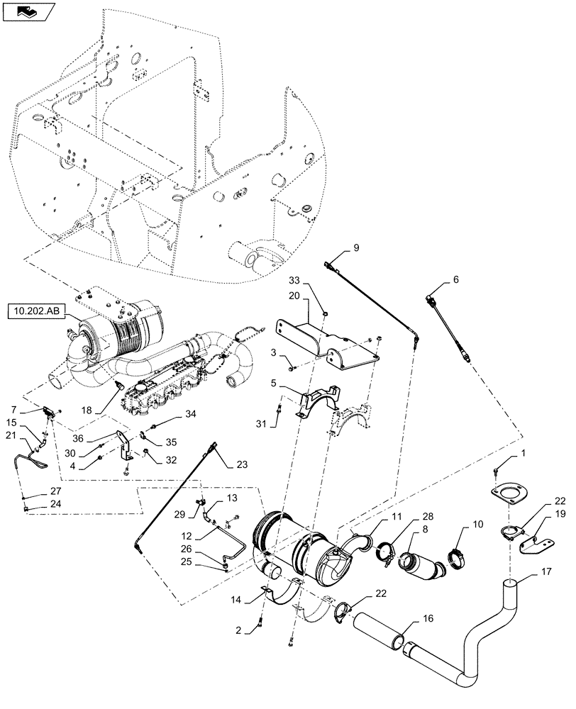
Запчасти Case IH SR220 (10.202.AD) - AIR FILTER, LINES, ELECTRONIC CONTROLS, (10) - ENGINE

Схема запчастей Case IH SR220 - (10.202.AD) - AIR FILTER, LINES, ELECTRONIC CONTROLS, (10) - ENGINE
home
16
15
33
7
10
23
9
10.202.ab
5
12
27
28
35
3
2
14
4
18
11
6
22
8
1
32
17
25
29
31
21
34
30
22
24
20
36
26
13
19
FIT
1:1
100%

Артикул

Название

Примечание

Количество

1

9671714

FLANGE BOLT,Hex, M8 x 1.25 x 25mm, Cl 8.8

6шт.

2

9706704

BOLT,Hex, M10 x 1.5 x 41.58mm, Cl 8.8

4шт.

3

9804260

BOLT,Hex, M8 x 1.25 x 30mm, Full Thd, Cl 8.8

4шт.

4

9804277

FLANGE NUT,Hex, M8 x 1.25, Cl 8

4шт.

5

84280294

DPF, Black Enamel

CLAMP

2шт.

6

84286040

SENSOR

Lambda UHEGO, Temperature

1шт.

7

84286249

SENSOR

DPF Delta Pressure

1шт.

8

84377118

Exhaust

TUBE

1шт.

9

84394768

SENSOR

Temperature

1шт.

10

84409146

PIPE CLAMP,63.5mm - 70mm

1шт.

11

84419021

DPF

MUFFLER

1шт.

12

84426108

From Temperature Sensor

TUBE

1шт.

13

84426109

Intake Air

HOSE

1шт.

14

84428318

Collar DPF

CLAMP

2шт.

15

84492738

Intake Air

HOSE

1шт.

16

84495805

INSULATION,260mm x 335mm

1шт.

17

84535643

EXHAUST SYSTEM PIPE

1шт.

18

84539252

SENSOR

Air Temperature

1шт.

19

84548462

Tailpipe Extension hanger

MOUNT

1шт.

20

84551142

DPF Mounting

ANGLE

1шт.

21

84558084

To DPF

TUBE

1шт.

22

87461995

CLAMP,68mm ID, Muffler

2шт.

23

87482353

SENSOR

To Engine, Years: -31-AUG-12

1шт.

23

47428730

To Engine, Start Year: 01-SEP-12

SENSOR

1шт.

24

87774044

NUT,24 Degree, L6 Coupling, M12 x 1.5

1шт.

25

3056136R1

SLEEVE,Cutting Ring, 8mm ID x 11mm OD x 9mm L

1шт.

26

3056137R1

PIPE UNION NUT,Coupling, M14 x 1.5

1шт.

27

3138533R1

SLEEVE,Cutting Ring, 6mm ID x 9mm OD

1шт.

28

A170467

CLAMP,72mm ID

T-Bolt

1шт.

29

574518

HOSE CLAMP,6.3mm - 15.7mm, SAE # 4

4шт.

30

9804256

BOLT,Hex, M6 x 1 x 20mm, Full Thd, Cl 8.8

1шт.

31

9804261

BOLT,Hex, M10 x 25mm, Cl 8.8, Full Thd

5шт.

32

9804277

FLANGE NUT,Hex, M8 x 1.25, Cl 8

1шт.

33

9804278

FLANGE NUT,M10 x 1.5, Cl 8

6шт.

34

86511841

BOLT,Flng, M8 x 1.25 x 16mm, Full Thd, Cl 8.8

2шт.

35

87016870

CLAMP,9.5mm, Coat, 8.7mm Bolt Hole, J Type

2шт.

36

84426487

Sensor

BRACKET

1шт.

37

47370328

PLATE

Hood Spacer, Not Illustrated

1шт.

Выбрано товаров: 0