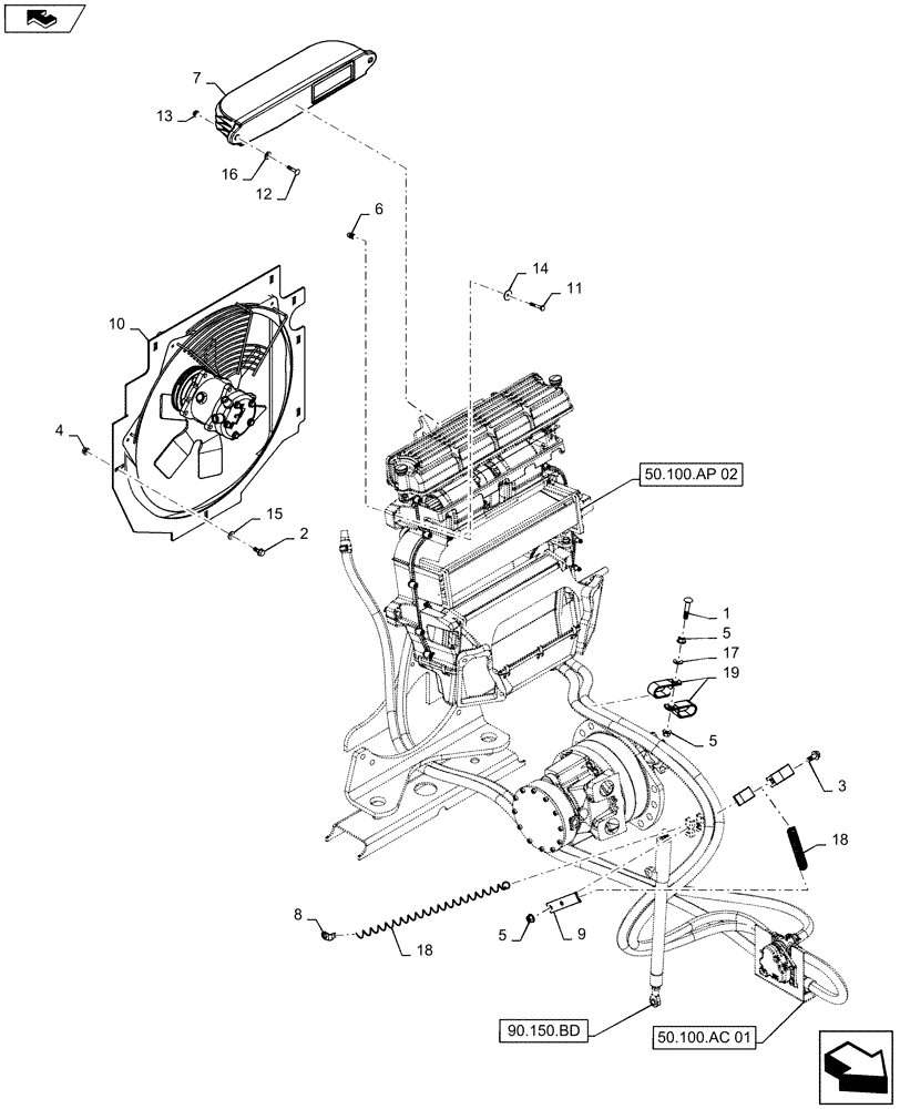
Запчасти Case IH SR220 (50.100.AC[02]) - HEATING SYSTEM, LARGE FRAME (50) - CAB CLIMATE CONTROL

Схема запчастей Case IH SR220 - (50.100.AC[02]) - HEATING SYSTEM, LARGE FRAME (50) - CAB CLIMATE CONTROL
18
18
3
12
home
5
19
14
8
5
17
13
5
11
4
50.100.ap 02
16
1
2
10
15
7
90.150.bd
9
50.100.ac 01
6
FIT
1:1
100%

Артикул

Название

Примечание

Количество

1

350459

CARRIAGE BOLT,Rnd Head, M10 x 1.5 x 50mm, Full Thd, Cl 8.8

1шт.

2

9804258

BOLT,Hex, M8 x 1.25 x 20mm, Cl 8.8

3шт.

3

9804261

BOLT,Hex, M10 x 25mm, Cl 8.8, Full Thd

1шт.

4

9804277

FLANGE NUT,Hex, M8 x 1.25, Cl 8

3шт.

5

9804278

FLANGE NUT,M10 x 1.5, Cl 8

3шт.

6

84272827

RIVET,Flat Flg Head, 12.7mm OD x 17.4mm L

4шт.

7

84280313

AIR DUCT

External

1шт.

8

84361522

BRACKET

90 Degree, Two Holes

1шт.

9

84370705

BRACKET

1шт.

10

84561440

Fan

GUARD

1шт.

11

86511833

SCREW,Phillips Drive, Pan HD, M6 x 40mm

4шт.

12

86512441

CARRIAGE BOLT,Rnd Head, M6 x 1 x 36.6mm, Cl 8.8

2шт.

13

86619800

FLANGE NUT,M6 x 1, Cl 8

2шт.

14

86624183

WASHER,6.6mm ID x 25mm OD x 1.6mm Thk

4шт.

15

86625263

WASHER,9mm ID x 20mm OD x 1.6mm Thk

3шт.

16

87655042

SPECIAL WASHER,8.8mm ID x 17.5mm OD x 2.2mm Thk

2шт.

17

87655046

SPECIAL WASHER,10.65mm ID x 23mm OD x 2.2mm Thk

1шт.

18

412679A2

SPRING,Extension, 22.5mm OD x 173mm L

Extension

2шт.

19

D39696

CLAMP,25.40mm - 13.49mm Bolt, CTD

2шт.

Выбрано товаров: 19