Запчасти Case IH SR240 (88.100.35[07]) - DIA KIT, SELF LEVEL, RADIAL BOOM (88) - ACCESSORIES

Схема запчастей Case IH SR240 - (88.100.35[07]) - DIA KIT, SELF LEVEL, RADIAL BOOM (88) - ACCESSORIES
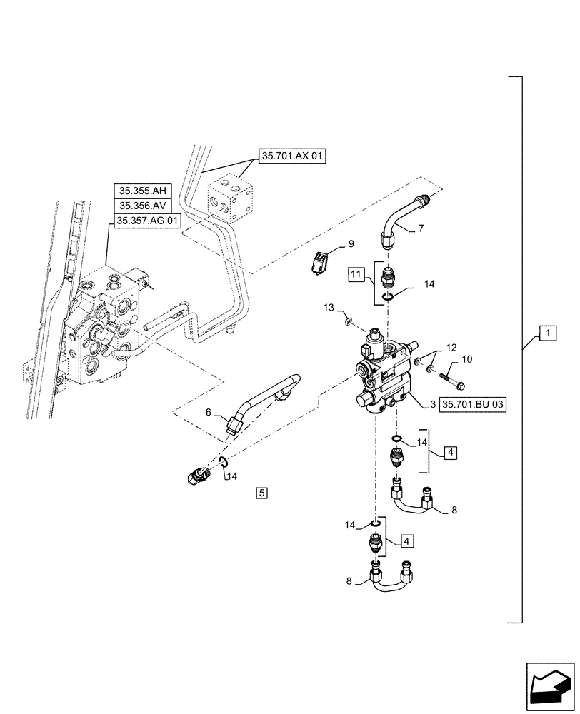
8
10
35.701.ax 01
35.356.av
4
35.355.ah
14
3
9
14
14
1
14
35.701.bu 03
35.357.ag 01
5
8
11
12
13
7
6
4
FIT
1:1
100%

Артикул

Название

Примечание

Количество

1

48005032

Self Level, Incl 2 - 13

KIT

1шт.

2

48005025

Sheet

INSTRUCTION

1шт.

3

84326481

72% Self Level

VALVE

1шт.

4

128819

HYD CONNECTOR,7/8" - 14 ORB x 3/4" - 16 JIC

Incl 14

2шт.

5

164910

90 ELBOW,7/8" - 14 JIC x 7/8" - 14 ORB

Incl 14

1шт.

6

84186140

RIGID TUBE

Lower, Leader Valve to Self Level

1шт.

7

84258865

RIGID TUBE

Lower, Self Level to Manifold

1шт.

8

84258866

RIGID TUBE

Self Level Valve to Tip

2шт.

9

84271904

SWITCH

Rocker, Self Level

1шт.

10

86511843

BOLT,Hex Flng, M8 x 1.25 x 60mm, Cl 8.8

2шт.

11

87301330

HYD CONNECTOR,7/8" - 14 ORB x 7/8" - 14 JIC

Incl 14

1шт.

12

87655042

SPECIAL WASHER,8.8mm ID x 17.5mm OD x 2.2mm Thk

4шт.

13

229197A1

SQUARE NUT,M8 x 1.25, Cl 8

2шт.

14

167269

O-RING,0.097" Thk x 0.755" ID, -910, Cl 6, 90 Duro

4шт.

15

47921604

Loader Valve To Right Arm

HYD TUBE

1шт.

16

47398553

Loader Valve To Right Arm

TUBE

1шт.

Выбрано товаров: 16