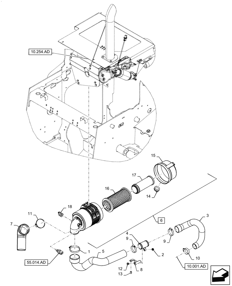
Запчасти Case IH SR240 (10.202.AB) - AIR CLEANER & INTAKE PARTS (10) - ENGINE

Схема запчастей Case IH SR240 - (10.202.AB) - AIR CLEANER & INTAKE PARTS (10) - ENGINE
55.014.ad
14
15
12
7
6
3
13
10
18
9
9
2
5
17
1
8
16
11
4
10.254.ad
10.001.ad
FIT
1:1
100%

Артикул

Название

Примечание

Количество

1

381144

HOSE CLAMP,84.1mm - 107.9mm, Worm Gear

1шт.

2

9804278

FLANGE NUT,M10 x 1.5, Cl 8

1шт.

3

47823397

INTAKE AIR HOSE

Coupler to Turbo

1шт.

4

47711885

FITTING

Intake Hose and CCV

1шт.

5

84398320

Air Cleaner to Coupler

INTAKE AIR HOSE

1шт.

6

84472230

AIR CLEANER

Incl 14 - 18

1шт.

7

84531287

HOSE

Inlet Extension

1шт.

8

84574164

Air Cleaner Coupler, Years: -02-OCT-16

BRACKET

1шт.

8

47370315

BRACKET

Air Cleaner Coupler, Start Year: 03-OCT-16

1шт.

9

86050197

HOSE CLAMP,58.6mm - 82.5mm, Worm Gear

2шт.

10

86050202

HOSE CLAMP,1.59” - 2.5”, Worm Gear

1шт.

11

86625034

HOSE CLAMP,90.4mm - 114.3mm, Worm Gear

1шт.

12

86633356

CARRIAGE BOLT,M10 x 34.8mm, Cl 8.8

1шт.

13

87036415

SPACER,9.25mm ID x 13.72 OD x 19.05mm L

2шт.

14

A184597

VALVE POPPET,1.93" ID x 2.24" OD x 1.84" L

Vacuator

1шт.

15

395792A1

COVER ASSY

Air Cleaner

1шт.

16

84217229

AIR FILTER,91mm ID x 164.5mm OD x 347mm L

Primary

1шт.

17

87682999

AIR FILTER,74.1mm ID x 94.6mm OD x 339.5mm L

Secondary

1шт.

18

279492A1

RESTRICTION SWITCH

Air Filter

1шт.

Выбрано товаров: 19