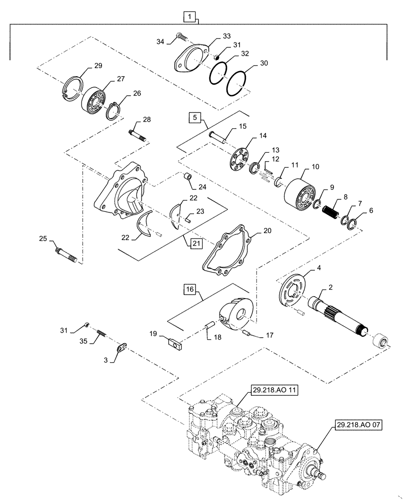
Запчасти Case IH SR240 (29.218.AO[10]) - HYDROSTATIC PUMP, 46CC, MECHANICAL, CONTROL, REAR (29) - HYDROSTATIC DRIVE

Схема запчастей Case IH SR240 - (29.218.AO[10]) - HYDROSTATIC PUMP, 46CC, MECHANICAL, CONTROL, REAR (29) - HYDROSTATIC DRIVE
29.218.ao 11
17
16
31
8
34
10
32
6
13
30
21
31
22
15
35
24
5
9
27
19
4
3
33
11
29
7
25
1
22
2
23
20
18
14
28
26
12
29.218.ao 07
FIT
1:1
100%

Артикул

Название

Примечание

Количество

1

84322471

Tandem Hydrostatic, Non - Bushed, Incl 2 - 35

HYDROSTATIC PUMP,46 CC

1шт.

1

84322471R

REMAN-HYD PUMP

46 CC Tandem

1шт.

1

84322471C

CORE-HYDRAULIC PUMP

Return Number

1шт.

2

87039623

SHAFT

Hydrostat, Rear Pump

1шт.

3

NSS

NOT SOLD SEPARAT

Bracket, Incl in 1

1шт.

4

128929A1

LARGE PLATE

Valve, LH

1шт.

5

87039625

KIT

Cylinder Block, Non - Bushed, Incl 6 - 15

1шт.

6

NSS

NOT SOLD SEPARAT

Retaining Ring, Incl in 1, 5

1шт.

7

115950A1

WASHER

Cylinder Block

1шт.

8

115948A1

SPRING

Cylinder Block

1шт.

9

115946A1

WASHER

Cylinder Block

1шт.

10

NSS

NOT SOLD SEPARAT

Cylinder Block, Non - Bushed, Incl in 1, 5

1шт.

11

115943A1

SNAP RING

Cylinder

1шт.

12

110873A1

PIN,2.38mm OD x 33.53mm L

Slipper Hold - Down

4шт.

13

115942A1

GUIDE

Retainer

1шт.

14

NSS

NOT SOLD SEPARAT

Slipper Guide, Incl in 1, 5

1шт.

15

NSS

NOT SOLD SEPARAT

Piston Assy, Incl in 1, 5

6шт.

16

87050523

PLATE ASSY.

Variable Swashplate, Incl 17 - 18

1шт.

17

324610A1

PIN

Swashplate

1шт.

18

N13254

PIN

Swashplate

1шт.

19

N13224

SLEEVE

Bearing

1шт.

20

H436704

GASKET,0.79mm Thk

Front Cover

1шт.

21

87039624

COVER

Rear, Assy, Incl 22 - 23

1шт.

22

193488A1

BEARING LINER

Journal

2шт.

23

193494A1

PIN, ROLL

Spring

2шт.

24

N13994

SPACER

Spring Pin

1шт.

25

223677A1

SCREW,Torx, 7/16"

Rear Cover

5шт.

26

100-11137

SNAP RING,#137, Ext

1шт.

27

A29183

BALL BEARING,34.99mm ID x 71.99mm OD x 16.94mm W

1шт.

28

223680A1

SPECIAL BOLT,Torx, 3/8"

1шт.

29

F61018

SNAP RING,M73, Int

1шт.

30

NSS

NOT SOLD SEPARAT

Cover Plate O - Ring, Incl in 1

1шт.

31

425-108

NUT,1/2" - 13, Gr 5

3шт.

32

87013729

O-RING,0.07" Thk x 3.739" ID, -44, Cl 5, 75 Duro

1шт.

33

NSS

NOT SOLD SEPARAT

Cover Plate, Incl in 1

1шт.

34

13-836

BOLT,Hex, 1/2" - 13 x 2-1/4", Gr 5

2шт.

35

K608432

STUD,1/2" - 13 x 4-1/2"

1шт.

Выбрано товаров: 37