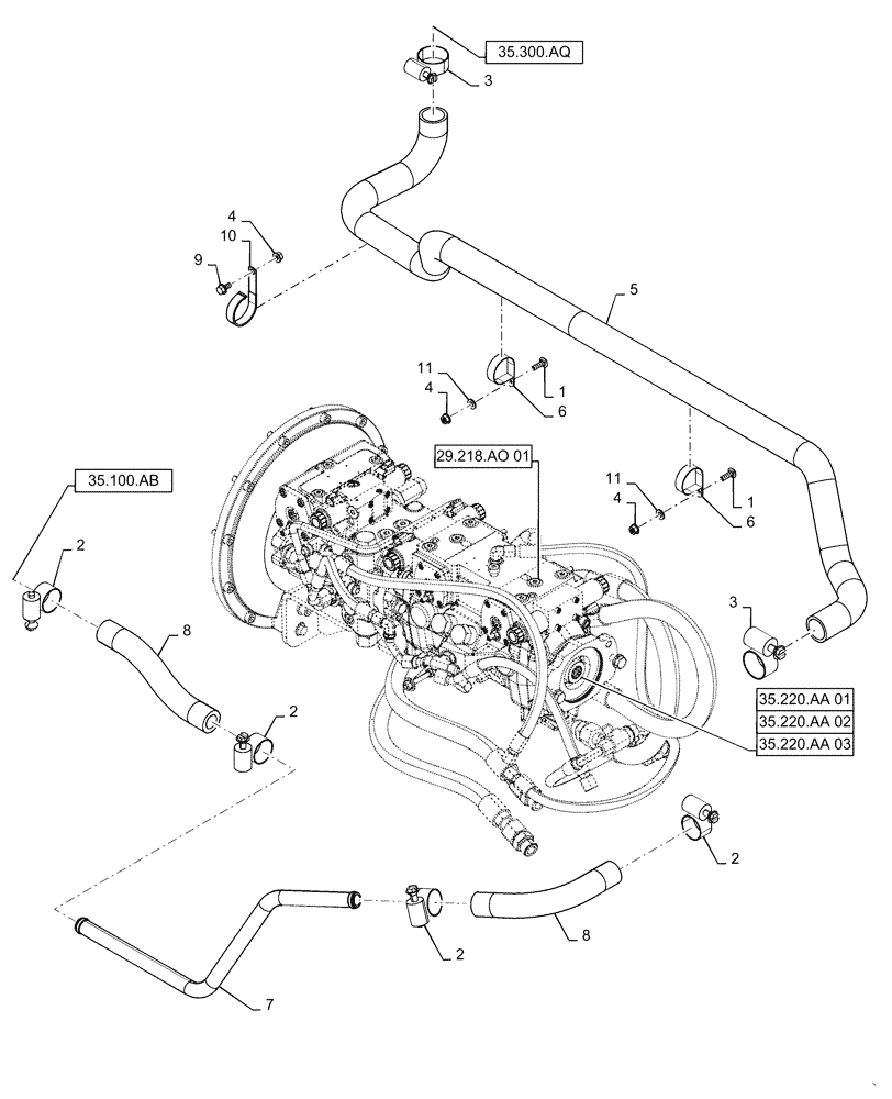
Запчасти Case IH SR250 (29.204.AB[05]) - E-H PUMP EHF, SUPPLY LINES, EH CONTROLS (SR250, SV300) (29) - HYDROSTATIC DRIVE

Схема запчастей Case IH SR250 - (29.204.AB[05]) - E-H PUMP EHF, SUPPLY LINES, EH CONTROLS (SR250, SV300) (29) - HYDROSTATIC DRIVE
29.218.ao 01
4
3
7
4
6
1
4
8
2
2
1
11
11
5
35.300.aq
35.220.aa 01
35.220.aa 02
3
9
35.100.ab
6
2
35.220.aa 03
10
8
2
FIT
1:1
100%

Артикул

Название

Примечание

Количество

1

308761

CARRIAGE BOLT,M8 x 1.25 x 25mm, Cl 8.8

2шт.

2

507586

HOSE CLAMP,20.6mm - 44.4mm, Worm Gear

4шт.

3

513309

HOSE CLAMP,1-1/16” - 2”, Worm Gear

2шт.

4

9804277

FLANGE NUT,Hex, M8 x 1.25, Cl 8

4шт.

5

47672849

Gear Pump Suction

HYDRAULIC HOSE,38.1mm ID

1шт.

6

84265306

CLAMP,47.6mm, Coat, 8.7mm Bolt Hole, P Type

2шт.

7

84374130

Charge Supply

HYD TUBE,25.4mm OD

1шт.

8

84374131

Charge Supply

HYDRAULIC HOSE,25.4mm ID x 275mm L, SAE 100R1

2шт.

9

86511841

BOLT,Flng, M8 x 1.25 x 16mm, Full Thd, Cl 8.8

1шт.

10

87313360

CLIP,50.8mm, Coat, 8.7mm Bolt Hole, J Type

1шт.

11

87655042

SPECIAL WASHER,8.8mm ID x 17.5mm OD x 2.2mm Thk

4шт.

Выбрано товаров: 0