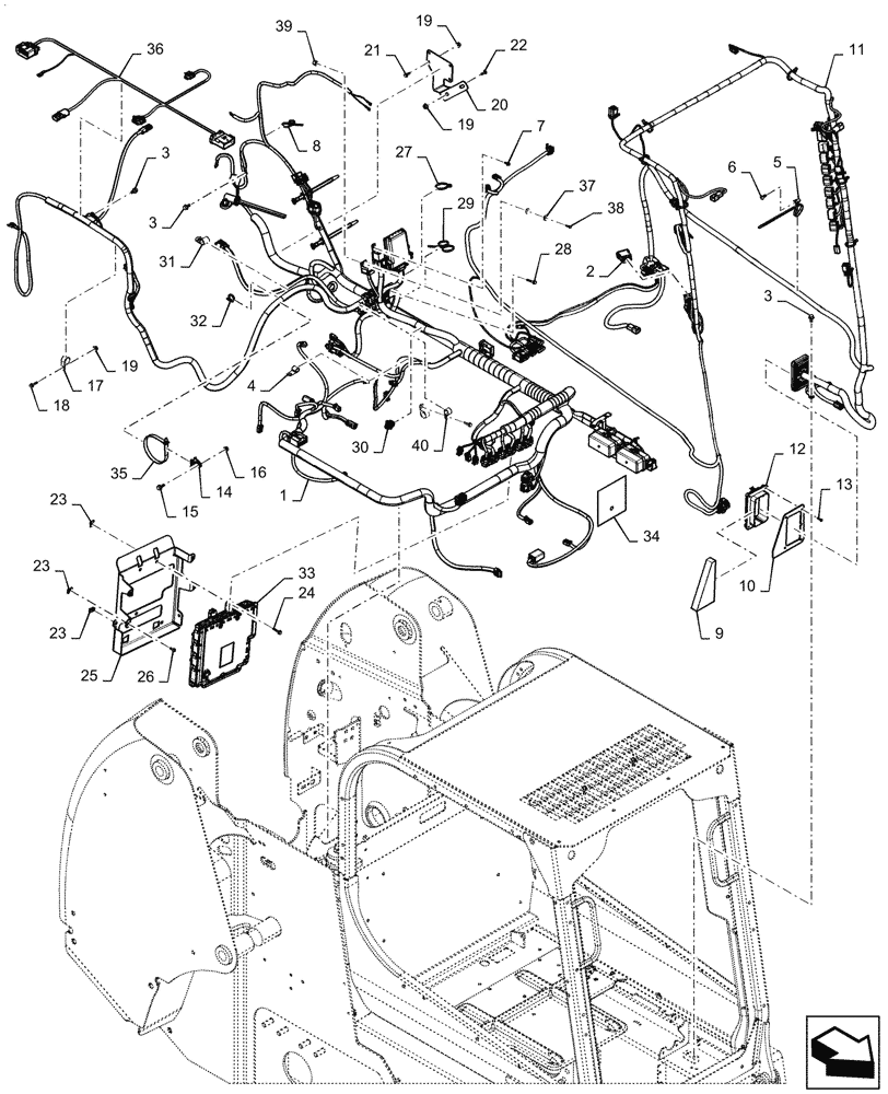
Запчасти Case IH SR250 (55.101.AC[04]) - WIRE HARNESS & CONNECTOR, ELECTRONIC CONTROLS, OPEN CAB (21-MAY-2015 THRU 13-NOV-2015) (55) - ELECTRICAL SYSTEMS

Схема запчастей Case IH SR250 - (55.101.AC[04]) - WIRE HARNESS & CONNECTOR, ELECTRONIC CONTROLS, OPEN CAB (21-MAY-2015 THRU 13-NOV-2015) (55) - ELECTRICAL SYSTEMS
20
7
24
15
18
3
25
33
11
36
37
14
34
3
10
21
23
22
6
27
19
17
30
28
12
26
2
23
9
38
8
5
19
4
35
1
39
16
40
23
19
13
3
29
31
32
FIT
1:1
100%

Артикул

Название

Примечание

Количество

1

47749750

Chassis, EH, Years: -13-JUL-15

WIRE HARNESS

1шт.

1

47813041

Chassis, EH, Start Year: 14-JUL-15

WIRE HARNESS

1шт.

2

84251343

SWITCH

Rocker, Drive Pattern

1шт.

3

86511841

BOLT,Flng, M8 x 1.25 x 16mm, Full Thd, Cl 8.8

4шт.

4

87301490

CLAMP,12.7mm, Coat, 10.3mm Bolt Hole, J Type

1шт.

5

84420746

CABLE TIE,403.9mm L, Nylon

10шт.

6

84420768

FASTENER,Pine Tree, 5/8" x 20.01mm

10шт.

7

86625199

SELF-TAP SCREW,Hex, M6 x 1 x 13mm

1шт.

8

82013031

CABLE TIE,193mm L

1шт.

9

47825018

FOAM INSULATION,172mm L x 27.9mm Thk

1шт.

10

47825472

Bulkhead Adapter, Gray

PLATE

1шт.

11

47749755

Cab, EH, Years: -13-JUL-15

WIRE HARNESS

1шт.

11

47813026

Cab, EH, Start Year: 14-JUL-15

WIRE HARNESS

1шт.

12

87718301

WIRE CONNECTOR,Flange

1шт.

13

47825034

SCREW,Pan Head, #10 - 14 x 5/8"

4шт.

14

84360210

BASE

Tie

1шт.

15

9804258

BOLT,Hex, M8 x 1.25 x 20mm, Cl 8.8

1шт.

16

9804277

FLANGE NUT,Hex, M8 x 1.25, Cl 8

1шт.

17

86637977

CLAMP,25.4mm, Coat, 8.7mm Bolt Hole, P Type

2шт.

18

9804257

FLANGE BOLT,Hex, M6 x 1.0 x 25mm, Cl 8.8, Full Thd

2шт.

19

9804276

FLANGE NUT,Hex, M6 x 1, Cl 8

5шт.

20

47832750

GCU Fuse Mounting

BRACKET

1шт.

21

9804255

BOLT,Hex, M6 x 1 x 16mm, Full Thd, Cl 8.8

2шт.

22

9706703

CARRIAGE BOLT,Sht Sq Nk, M6 x 1 x 20mm, Cl 8.8, Full Thd

2шт.

23

86625073

SPRING NUT,M6 x 1

10шт.

24

86511839

BOLT,Hvy Hex, M6 x 30mm, Cl 8.8

4шт.

25

47860657

BRACKET

UCM Support, Gray

1шт.

26

87682398

SCREW,Torx, Round HD, M6 x 16mm, Cl 10.9

4шт.

27

L11541

CABLE TIE,203.2mm L, Nylon

1шт.

28

87015931

BOLT,Hvy Hex, M6 x 35mm, Cl 8.8

1шт.

29

82012869

CABLE TIE,300mm L, Nylon, Black

1шт.

30

84259663

CABLE TIE,228.6mm L, Nylon, Black

1шт.

31

86598598

CLAMP,19mm, Insulated, 13.5mm Bolt Hole - P Type

1шт.

32

263117

CABLE TIE,292.1mm L, Nylon, Black

3шт.

33

84267444

SSL

ECU

1шт.

34

47864567

Fuse Box Layout, EH

DECAL

1шт.

35

84266050

CABLE TIE,384mm L, Polyamide

1шт.

36

47818404

Chassis, RH Tower

WIRE HARNESS

1шт.

37

80707

WASHER,0.25" ID x 0.56" OD x 0.05" Thk

2шт.

38

87308282

SCREW,HWH, #10 - 32 x 3/4"

1шт.

39

86639241

NUT,Prev Torque, M5 x 0.8, Cl 8

1шт.

40

86637976

CLAMP,19mm, Coat, 8.7mm Bolt Hole, P Type

1шт.

Выбрано товаров: 42