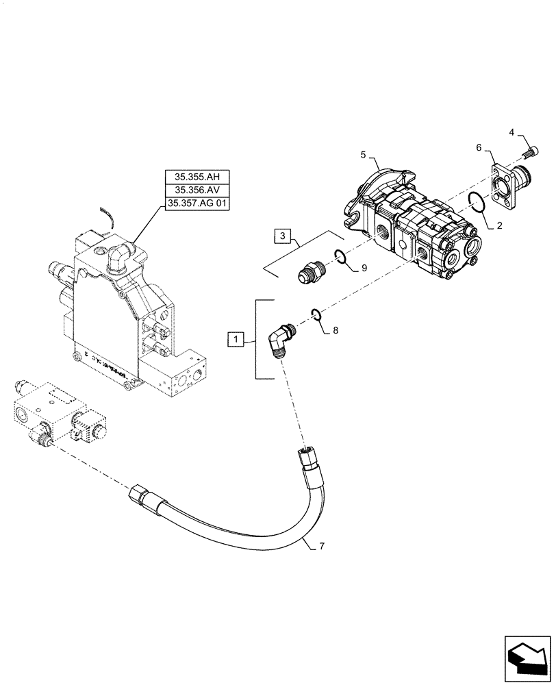
Запчасти Case IH SR250 (35.220.02[02]) - HIGH FLOW, GEAR PUMP (ALL CASE) (35) - HYDRAULIC SYSTEMS
35.357.ag 01
3
9
7
2
1
5
8
6
4
35.356.av
35.355.ah
FIT
1:1
100%
№
Артикул
Название
Примечание
Количество
1
164910
90 ELBOW,7/8" - 14 JIC x 7/8" - 14 ORB
Incl 8
1шт.
4
14307321
HEX SOC SCREW,M10 x 1.25 x 20mm, Full Thd, Cl 8.8
4шт.
5
84256249
PUMP,34.1 CC
1шт.
6
84269151
FITTING
Gear Pump Suction
1шт.
7
84329004
HOSE,15.88mm ID x 586mm L, SAE 100R17
1шт.
Выбрано товаров: 0