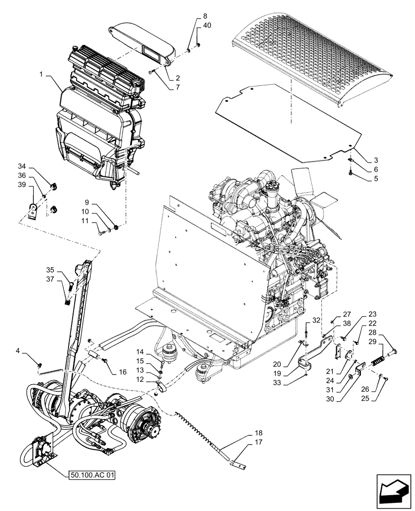
Запчасти Case IH SV185 (50.100.AP[01]) - HEATER, MEDIUM FRAME (SR175, SV185) (50) - CAB CLIMATE CONTROL

Схема запчастей Case IH SV185 - (50.100.AP[01]) - HEATER, MEDIUM FRAME (SR175, SV185) (50) - CAB CLIMATE CONTROL
23
9
39
50.100.ac 01
25
33
20
40
18
31
5
10
8
26
29
2
30
27
24
36
37
35
12
16
22
17
34
28
15
4
6
14
13
19
11
32
21
1
7
38
3
FIT
1:1
100%

Артикул

Название

Примечание

Количество

1

84267543

HEATER

1шт.

2

84280313

AIR DUCT

Intake

1шт.

3

84331307

No AC, Tilt Hood, Gray

SCREEN

1шт.

4

84361522

BRACKET

1шт.

5

9804258

BOLT,Hex, M8 x 1.25 x 20mm, Cl 8.8

4шт.

6

86625074

SPRING NUT,Multi-Thd, M8 x 1.25

4шт.

7

86512441

CARRIAGE BOLT,Rnd Head, M6 x 1 x 36.6mm, Cl 8.8

2шт.

8

87655042

M8, 8.80 X 17.5 X 2.2 HTS

SPECIAL WASHER,8.8mm ID x 17.5mm OD x 2.2mm Thk

2шт.

9

87436247

THREADED INSERT

M6, Blind Threaded

4шт.

10

86624183

WASHER,6.6mm ID x 25mm OD x 1.6mm Thk

4шт.

11

86511833

SCREW,Phillips Drive, Pan HD, M6 x 40mm

4шт.

12

D39696

CLAMP,25.40mm - 13.49mm Bolt, CTD

2шт.

13

87655046

SPECIAL WASHER,10.65mm ID x 23mm OD x 2.2mm Thk

M10, 10.65 X 23.0 X 2.2 HTS

1шт.

14

350459

CARRIAGE BOLT,Rnd Head, M10 x 1.5 x 50mm, Full Thd, Cl 8.8

1шт.

15

9804278

FLANGE NUT,M10 x 1.5, Cl 8

3шт.

16

9804261

BOLT,Hex, M10 x 25mm, Cl 8.8, Full Thd

1шт.

17

84370705

BRACKET

1шт.

18

412679A2

SPRING,Extension, 22.5mm OD x 173mm L

Heater Hose

2шт.

19

84321269

Throttle Cable

BRACKET

1шт.

20

84200938

CLAMP

Throttle Cable

1шт.

21

9804255

BOLT,Hex, M6 x 1 x 16mm, Full Thd, Cl 8.8

2шт.

22

13734

SPACER,6.52mm ID x 9.52mm OD x 3.43mm W

1шт.

23

84821

SCREW,Truss HD, #10 - 24 x 1/2"

1шт.

24

80707

WASHER,0.25" ID x 0.56" OD x 0.05" Thk

1шт.

25

88826

LOCK NUT,#10-24, GA

1шт.

26

9860169

RIVET,10-32 Thread, 19.6mm Shoulder

Drilled

1шт.

27

84286072

Throttle

SPRING

1шт.

28

9844532

BRACKET

1шт.

29

86588450

WASHER,6.6mm ID x 12mm OD x 1.6mm Thk

1шт.

30

86639294

HEX SOC SCREW,M4 x 0.7 x 20mm, Cl 8.8

2шт.

31

100012

NUT,M4 x 0.7, Cl 8

2шт.

32

86729670

KNOB

2шт.

33

86729675

SWITCH,5000 Ohm

Switch

1шт.

34

87310592

JAM NUT,7/16" - 28, Gr 5

2шт.

35

86729669

SWITCH

Blower/Light

1шт.

36

84347261

DECAL

HVAC, Heat Only

1шт.

37

86619800

FLANGE NUT,M6 x 1, Cl 8

2шт.

Выбрано товаров: 37