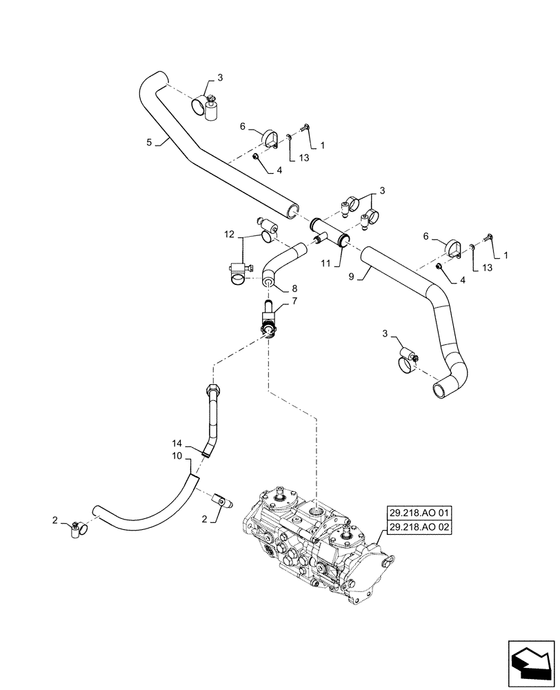
Запчасти Case IH SV185 (29.204.AB[01]) - HYDROSTATIC PUMP, SUPPLY LINES, MECHANICAL CONTROLS (SR175,SV185) (29) - HYDROSTATIC DRIVE

Схема запчастей Case IH SV185 - (29.204.AB[01]) - HYDROSTATIC PUMP, SUPPLY LINES, MECHANICAL CONTROLS (SR175,SV185) (29) - HYDROSTATIC DRIVE
14
8
7
9
29.218.ao 02
3
2
3
11
2
5
1
13
3
13
29.218.ao 01
4
6
6
12
10
1
4
FIT
1:1
100%

Артикул

Название

Примечание

Количество

1

308761

CARRIAGE BOLT,M8 x 1.25 x 25mm, Cl 8.8

2шт.

2

507586

HOSE CLAMP,20.6mm - 44.4mm, Worm Gear

2шт.

3

513309

HOSE CLAMP,1-1/16” - 2”, Worm Gear

4шт.

4

9804277

FLANGE NUT,Hex, M8 x 1.25, Cl 8

3шт.

5

47612619

Gear Pump Suction

HOSE,38.1mm ID

1шт.

6

84265306

CLAMP,47.6mm, Coat, 8.7mm Bolt Hole, P Type

2шт.

7

84344939

TEE,37 Degree 1 5/16"-12 x 1 5/16"-12 ORB x -12 Bead Run

1шт.

8

84344943

Tandem Supply

HOSE,19.05mm ID x 215mm L, SAE 100R4

1шт.

9

84349295

Gear Pump Suction

HOSE,38.1mm ID

1шт.

10

84349308

Charge Supply

HOSE,25mm ID x 500mm OAL

1шт.

11

84511713

TEE,-24 Bead x -24 Bead x -12 Bead

1шт.

12

86625021

HOSE CLAMP,17.5mm - 31.7mm, Worm Gear

2шт.

13

87655042

SPECIAL WASHER,8.8mm ID x 17.5mm OD x 2.2mm Thk

4шт.

14

84291886

Hydraulic Charge Suction

RIGID TUBE,25.4mm OD

1шт.

Выбрано товаров: 14