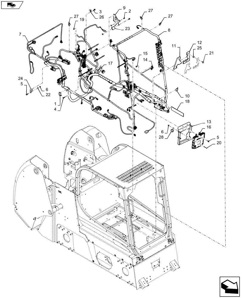
Запчасти Case IH SV185 (55.101.AC[05]) - MAIN ELECTRICAL, E-H CONTROLS, ENCLOSED CAB (55) - ELECTRICAL SYSTEMS

Схема запчастей Case IH SV185 - (55.101.AC[05]) - MAIN ELECTRICAL, E-H CONTROLS, ENCLOSED CAB (55) - ELECTRICAL SYSTEMS
25
19
10
27
5
13
16
12
15
27
28
20
27
6
11
2
4
9
6
21
8
1
23
22
14
24
5
3
26
home
7
18
17
FIT
1:1
100%

Артикул

Название

Примечание

Количество

1

263117

CABLE TIE,292.1mm L, Nylon, Black

2шт.

2

9706703

CARRIAGE BOLT,Sht Sq Nk, M6 x 1 x 20mm, Cl 8.8, Full Thd

2шт.

3

9804255

BOLT,Hex, M6 x 1 x 16mm, Full Thd, Cl 8.8

4шт.

4

9804256

BOLT,Hex, M6 x 1 x 20mm, Full Thd, Cl 8.8

1шт.

5

9804257

FLANGE BOLT,Hex, M6 x 1.0 x 25mm, Cl 8.8, Full Thd

5шт.

6

9804276

FLANGE NUT,Hex, M6 x 1, Cl 8

Rocker, E-H Drive Pattern, Not Shown

12шт.

7

47377801

Chassis, E-H Controls, Incl 29, 31 - 43, Years: -09-SEP-13

WIRE HARNESS

1шт.

7

47523489

Chassis, E-H Controls, Incl 29, 31 - 43, Years: 10-SEP-13-24-AUG-14

WIRE HARNESS

1шт.

7

47703671

Chassis, E-H Controls, Incl 29, 31 - 43, Start Year: 25-AUG-14

WIRE HARNESS

1шт.

8

47385475

Cab, E-H Controls, Enclosed Cab, Incl 29 - 30

WIRE HARNESS

1шт.

9

47510427

Fuse/Relay Mounting

ANGLE

1шт.

10

87668737

CABLE TIE,203.2mm L, Nylon, Black

Tie

1шт.

11

84309937

Assembly, LH, Outer

SEAL

1шт.

12

84309938

Assembly, LH, Inner

SEAL

1шт.

13

84332287

ECM

BRACKET

1шт.

14

84420746

CABLE TIE,403.9mm L, Nylon

Tie, 10" With Screw Hole

10шт.

15

84420768

FASTENER,Pine Tree, 5/8" x 20.01mm

Fir Tree, 5/8" Dia Head

10шт.

16

84529539

Chassis ECM

ECU

1шт.

16

84529539R

Reman For New P/N 84529539

REMAN ELECT CONTROL

1шт.

16

84529539C

Return Number

CORE-ELECTRONIC CONT

1шт.

17

84541427

Engine Harness Interface

BRACKET

1шт.

18

84553024

DECAL

Fuse Box Layout, E-H Controls, Years: -09-SEP-13

1шт.

18

47544624

Fuse Box Layout, E-H Controls, Start Year: 10-SEP-13

DECAL

1шт.

19

86511841

BOLT,Flng, M8 x 1.25 x 16mm, Full Thd, Cl 8.8

4шт.

20

86512442

CARRIAGE BOLT,Sht Sq Nk, M6 x 80mm, Cl 8.8

M6 - 1 x 80mm, Class 8.8, ZND

4шт.

21

86620930

FASTENER,Push-In, 1.10" L, Nylon

4шт.

22

86624182

WASHER,6.6mm ID x 18mm OD x 1.6mm Thk

1шт.

23

86637977

CLAMP,25.4mm, Coat, 8.7mm Bolt Hole, P Type

2шт.

24

86639002

CLAMP,34.9mm, Coat, 11.9mm Bolt Hole, P Type

1шт.

25

87035448

SPACER,8.48mm ID x 12.7mm OD x 12.7mm L

4шт.

26

87037780

CLAMP,15.8mm, Coat, 8.7mm Bolt Hole, J Type

1шт.

27

87313351

CLIP,25.4mm, Coat, 8.7mm Bolt Hole, J Type

1шт.

28

87313355

CLAMP,38.1mm, Coat, 8.7mm Bolt Hole, J Type

2шт.

29

L71879

DIODE ELEMENT,400V, 3A

3 Amp, Bullet Connector, Accessory Backfeed, Not Shown

2шт.

30

774735

DIODE,6A

6 Amp, Hazard Switch Indicator Backfeed, Not Shown

1шт.

31

121849A1

FUSE,Mini, 2 Amp

2 Amp, Mini, Not Shown

5шт.

32

121850A1

FUSE,3A, Mini, Violet

Not Shown

3шт.

33

121851A1

4 Amp, Mini, Not Shown

FUSE,4A, Mini, Pink

7шт.

34

121410A1

FUSE,5A, Mini, Tan

Not Shown

3шт.

35

121411A1

FUSE,7.5A, Mini, Brown

Not Shown

2шт.

36

121412A1

FUSE,10A, Mini, Red

Not Shown

5шт.

37

121413A1

FUSE,15A, Mini, Blue

Not Shown

4шт.

38

121414A1

FUSE,20A, Mini, Yellow

Not Shown

3шт.

39

121415A1

FUSE,25A, Mini, Clear

Not Shown

5шт.

40

121416A1

FUSE,30A, Mini, Green

Not Shown

1шт.

41

87655334

RELAY,12V, 35A, Micro

35 Amp, Micro, Not Shown

7шт.

42

82013124

RELAY,12V, 30A

ABS/Glow Plugs, Not Shown

2шт.

43

84297432

70 Amp, Not Shown

RELAY,12V, 70A

1шт.

Выбрано товаров: 48