Качественные детали и логистика
Оригинальные и аналоговые запчасти с доставкой по России, Казахстану и Беларуси
©2022 PartSell ООО "Система" ИНН 2463123282 ОГРН 1212400004838
Центральный офис: г. Красноярск, Академика Киренского, д.87, пом.4
Телефон: 8 (800) 777-65-74 Email: zakaz@partsell.ru
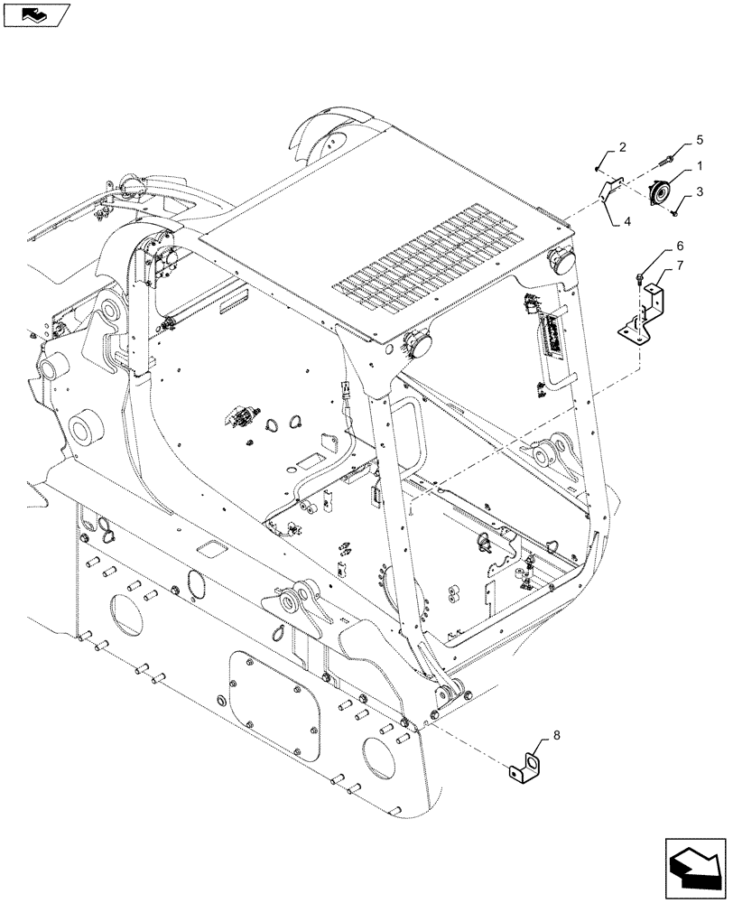
(55.408.AG) - HORN AND RELATED PARTS
№
Артикул
Название
Примечание
Количество
1
87714969
HORN
1шт.
2
9804276
FLANGE NUT,Hex, M6 x 1, Cl 8
3
9804255
BOLT,Hex, M6 x 1 x 16mm, Full Thd, Cl 8.8
4
84425025
BRACKET
5
87030530
SELF-TAP SCREW,HWH, 3/8" - 16 x 1-3/4"
6
87550233
SELF-TAP SCREW,Hex Flg, M10 x 1.5 x 25mm
2шт.
7
84296194
BRACKET, SUPPORTING
8
84564792
Выбрано товаров: 0