Запчасти Case IH SV185 (10.001.AB) - ENGINE CRANKCASE (10) - ENGINE

Схема запчастей Case IH SV185 - (10.001.AB) - ENGINE CRANKCASE (10) - ENGINE
1
home
22
6
8
10
5
11
21
2
4
26
12
5
11
17
24
25
15
19
3
5
9
9
7
16
18
13
20
14
23
14
27
10
12
10
FIT
1:1
100%

Артикул

Название

Примечание

Количество

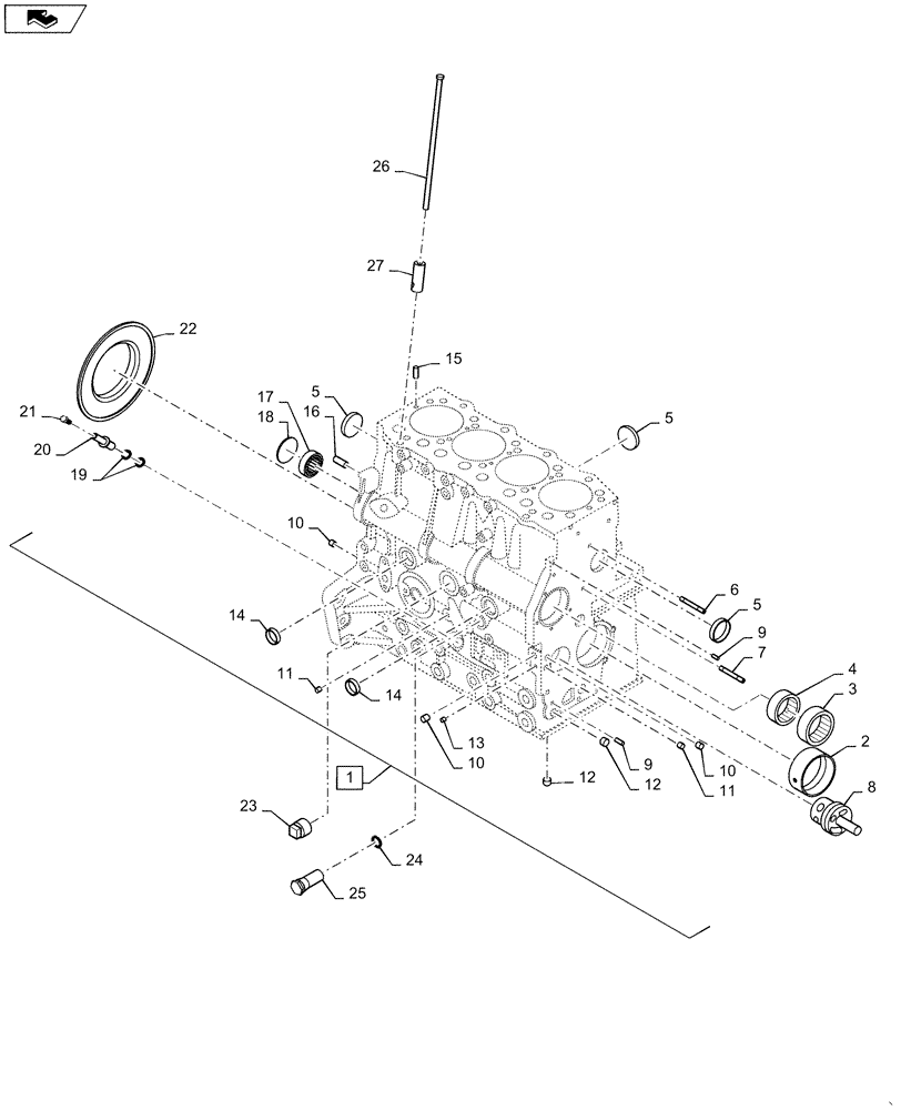
1

NSS

NOT SOLD SEPARAT

Engine Block

1шт.

Must Order Complete Engine

1шт.

2

SBA198517222

BUSHING

Standard

1шт.

3

SBA042309017

NEEDLE BEARING

1шт.

4

SBA042309018

NEEDLE BEARING

1шт.

5

SBA064209055

CAP

Sealing

5шт.

6

SBA012110635

STUD

1шт.

7

SBA012100645

BOLT

1шт.

8

SBA165296260

SHAFT

Idle Gear

1шт.

9

SBA030500616

DOWEL,M6 x 16

2шт.

10

SBA198466020

PLUG

2шт.

11

SBA198466010

PLUG

3шт.

12

SBA198466920

PLUG

2шт.

13

SBA198466030

PLUG

4шт.

14

SBA064210025

PLUG,25mm

2шт.

15

SBA030309005

PIN

Spring

2шт.

16

SBA030501025

BALL STUD,M10 x 25 L

2шт.

17

SBA040306203

BALL BEARING

1шт.

18

SBA064100045

PLUG

Expansion

1шт.

19

SBA052109113

O-RING,2.4mm Thk x 9.8mm ID

Oil Dipstick Guide

2шт.

20

SBA110756660

GUIDE

Oil Dipstick

1шт.

21

SBA010700610

BOLT

1шт.

22

SBA050209083

SEAL

Oil

1шт.

23

SBA064500060

PLUG

1шт.

24

SBA052109078

O-RING,2.4mm Thk x 9.8mm ID

1шт.

25

SBA140036220

VALVE PRESSURE RELIE

1шт.

26

SBA120456310

PUSH ROD

8шт.

27

SBA120116160

TAPPET

8шт.

Выбрано товаров: 0