Запчасти Case IH SV185 (10.106.AM) - ENGINE IDLER GEAR (10) - ENGINE

Схема запчастей Case IH SV185 - (10.106.AM) - ENGINE IDLER GEAR (10) - ENGINE
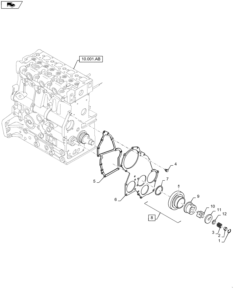
10
1
9
8
3
4
5
home
11
12
6
2
10.001.ab
7
FIT
1:1
100%

Артикул

Название

Примечание

Количество

1

SBA036800010

SNAP RING

1шт.

2

SBA199236540

COLLAR

1шт.

3

SBA198216720

SPRING

1шт.

4

SBA011310612

CAPTIVE WASHER SCREW,Hex, M6 x 12, Cl 8.8

7шт.

5

SBA165996750

Front Cover

GASKET

1шт.

6

SBA165166780

Front Cover

PLATE

1шт.

7

SBA199266270

WASHER, THRUST

1шт.

8

SBA165026230

IDLER GEAR

Assembly, Incl 9

1шт.

8

SBA165026230R

REMAN-ENG OIL PUMP

1шт.

8

SBA165026230C

CORE-ENGINE OIL PUMP

Return Number

1шт.

9

SBA198217760

SPRING

1шт.

10

SBA140166250

ROTOR

1шт.

11

SBA140116220

COVER

Oil Pump

1шт.

12

SBA199286340

SHIM KIT

1шт.

Выбрано товаров: 14