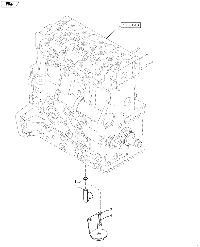
Запчасти Case IH SV185 (10.304.AL) - OIL SUCTION PIPE (10) - ENGINE

Схема запчастей Case IH SV185 - (10.304.AL) - OIL SUCTION PIPE (10) - ENGINE
3
1
home
10.001.ab
2
4
FIT
1:1
100%

Артикул

Название

Примечание

Количество

1

SBA052109076

O-RING,2.4mm Thk x 10.8mm ID

Suction Tube

1шт.

2

SBA140987090

PIPE

Suction

1шт.

3

SBA140406730

FILTER

Suction

1шт.

4

SBA011310612

CAPTIVE WASHER SCREW,Hex, M6 x 12, Cl 8.8

2шт.

Выбрано товаров: 4