Запчасти Case IH SV185 (10.501.AA) - EGR SYSTEM (10) - ENGINE

Схема запчастей Case IH SV185 - (10.501.AA) - EGR SYSTEM (10) - ENGINE
8
10
16
11
6
13
8
15
7
9
8
10.001.ab
3
home
4
8
14
5
1
2
10
12
FIT
1:1
100%

Артикул

Название

Примечание

Количество

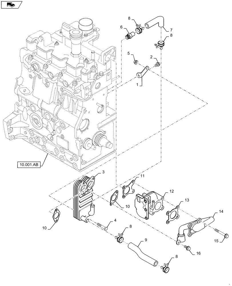
1

SBA145977510

EGR Cooler

BRACKET

1шт.

2

SBA011510816

BOLT

1шт.

3

SBA145806020

EGR

COOLER

1шт.

4

SAB010310850

Bolt

1шт.

5

SBA023100008

NUT

1шт.

6

SBA198486940

FITTING

1шт.

7

SBA145537730

EGR Cooler, In

HOSE

1шт.

8

SBA067100023

BAND

Hose Clamp

4шт.

9

SBA145537740

EGR Cooler, Out

HOSE

1шт.

10

SBA135997220

EGR Cooler

GASKET

2шт.

11

SBA135997250

EGR Valve, Out

GASKET

1шт.

12

SBA120806020

EGR

VALVE

1шт.

13

SBA135997260

EGR Valve, In

GASKET

1шт.

14

SBA135956030

EGR

PIPE

1шт.

15

SBA011510870

BOLT,M8 x 70mm

4шт.

16

SBA011510816

BOLT

2шт.

Выбрано товаров: 16