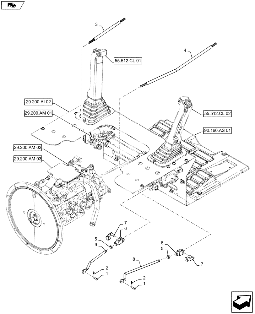
Запчасти Case IH SV185 (29.200.AI[01]) - HAND CONTROLS MOUNTING ASSEMBLY (29) - HYDROSTATIC DRIVE

Схема запчастей Case IH SV185 - (29.200.AI[01]) - HAND CONTROLS MOUNTING ASSEMBLY (29) - HYDROSTATIC DRIVE
6
90.160.as 01
6
29.200.ai 02
8
2
5
29.200.am 01
55.512.cl 02
7
3
2
55.512.cl 01
1
4
29.200.am 03
9
7
29.200.am 02
5
1
home
FIT
1:1
100%

Артикул

Название

Примечание

Количество

1

234726

CLEVIS PIN,6.29mm OD x 20mm L

2шт.

2

D131983

COTTER PIN,1.04mm OD x 21.4mm L, Ring

Cotter

2шт.

3

84405842

Ground Drive, Manual LH

THREADED ROD

1шт.

4

84405841

Ground Drive, Manual RH

THREADED ROD

1шт.

5

84221258

THIN NUT,M10 x 1.5, Cl 5

M10 x 1.5, Class 5, ZND

2шт.

6

84299261

CLEVIS,10mm ID x 20mm L

M10 X 20, Short, Adjustable, ZND

2шт.

7

84299262

CLEVIS PIN,10mm OD x 20mm L

M10 X 20, ZND

2шт.

8

84300037

ROD,10mm OD x 143.2mm L

Loader Valve, Bucket

1шт.

9

84300039

ROD,10mm OD x 283.7mm L

Loader Valve, Boom

1шт.

Выбрано товаров: 0