Запчасти Case IH SV280 (35.701.BU) - SELF LEVEL, MECHANICAL CONTROLS (35) - HYDRAULIC SYSTEMS

Схема запчастей Case IH SV280 - (35.701.BU) - SELF LEVEL, MECHANICAL CONTROLS (35) - HYDRAULIC SYSTEMS
35.355.ah
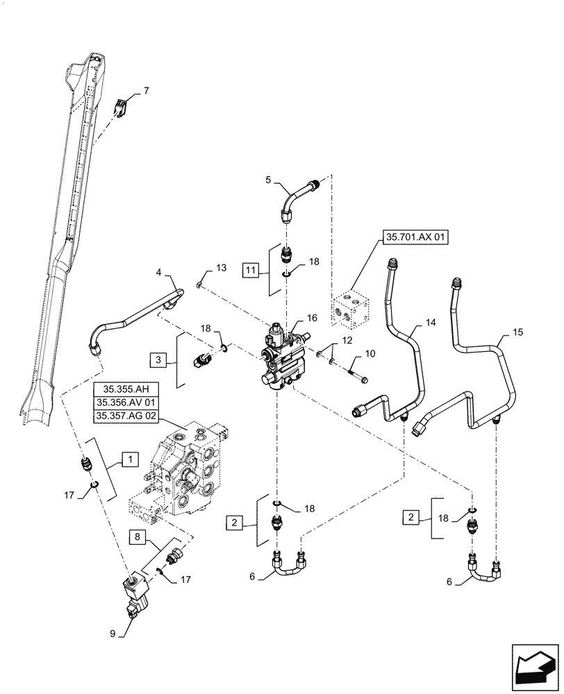
10
5
18
18
2
1
6
18
9
17
6
12
14
13
18
15
16
11
4
3
7
17
2
8
35.701.ax 01
35.356.av 01
35.357.ag 02
FIT
1:1
100%

Артикул

Название

Примечание

Количество

1

86071

HYD CONNECTOR,7/8" - 14 JIC x 3/4" - 16 ORB

Incl 17

1шт.

2

128819

HYD CONNECTOR,7/8" - 14 ORB x 3/4" - 16 JIC

Incl 18

2шт.

3

164910

90 ELBOW,7/8" - 14 JIC x 7/8" - 14 ORB

Incl 18

1шт.

4

47383482

TUBE

Loader Valve to Self Level

1шт.

5

84258865

RIGID TUBE

Self Level to Manifold

1шт.

6

84258866

RIGID TUBE

Self Level to Bucket

2шт.

7

84271904

SWITCH

Self Leveling

1шт.

8

84586982

HYD CONNECTOR,7/8" - 14 Fem Sw x 3/4" - 16 ORB

Incl 17

1шт.

9

84593149

VALVE

Rod Lock

1шт.

10

86511843

BOLT,Hex Flng, M8 x 1.25 x 60mm, Cl 8.8

2шт.

11

87301330

HYD CONNECTOR,7/8" - 14 ORB x 7/8" - 14 JIC

Incl 18

1шт.

12

87655042

SPECIAL WASHER,8.8mm ID x 17.5mm OD x 2.2mm Thk

4шт.

13

229197A1

SQUARE NUT,M8 x 1.25, Cl 8

2шт.

14

47612072

TUBE

Loader Valve to RH Arm Bucket

1шт.

15

47641950

TUBE

Loader Valve to RH Arm Bucket

1шт.

16

84416570

Self Level, 40%

VALVE

1шт.

17

128825

O-RING,0.087" Thk x 0.644" ID, -908, Cl 6, 90 Duro

2шт.

18

167269

O-RING,0.097" Thk x 0.755" ID, -910, Cl 6, 90 Duro

4шт.

Выбрано товаров: 18