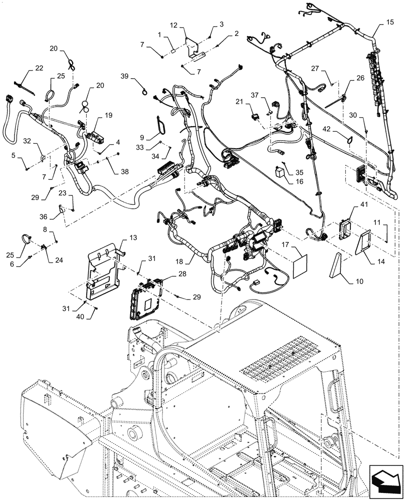
Запчасти Case IH SV280 (55.101.AC[03]) - WIRE HARNESS & CONNECTOR, ELECTRONIC CONTROLS (29-MAR-2017 & NEWER) (55) - ELECTRICAL SYSTEMS

Схема запчастей Case IH SV280 - (55.101.AC[03]) - WIRE HARNESS & CONNECTOR, ELECTRONIC CONTROLS (29-MAR-2017 & NEWER) (55) - ELECTRICAL SYSTEMS
7
19
24
41
37
39
26
10
15
29
31
18
38
42
28
32
22
25
34
12
20
23
31
30
3
1
13
2
16
21
11
25
8
14
7
6
17
35
9
33
29
5
20
27
4
40
36
7
FIT
1:1
100%

Артикул

Название

Примечание

Количество

1

619284

CLAMP,23.8mm, Coat, 10.3mm Bolt Hole, P Type

1шт.

2

9706703

CARRIAGE BOLT,Sht Sq Nk, M6 x 1 x 20mm, Cl 8.8, Full Thd

2шт.

3

9804255

BOLT,Hex, M6 x 1 x 16mm, Full Thd, Cl 8.8

3шт.

4

9804256

BOLT,Hex, M6 x 1 x 20mm, Full Thd, Cl 8.8

2шт.

5

9804257

FLANGE BOLT,Hex, M6 x 1.0 x 25mm, Cl 8.8, Full Thd

1шт.

6

9804258

BOLT,Hex, M8 x 1.25 x 20mm, Cl 8.8

1шт.

7

9804276

FLANGE NUT,Hex, M6 x 1, Cl 8

8шт.

8

9804277

FLANGE NUT,Hex, M8 x 1.25, Cl 8

1шт.

9

L18331

CABLE TIE,375.9mm L, Nylon, Black

6шт.

10

47825018

FOAM INSULATION,172mm L x 27.9mm Thk

1шт.

11

47825034

SCREW,Pan Head, #10 - 14 x 5/8"

4шт.

12

47832750

GCU Fuse Mounting

BRACKET

1шт.

13

47860657

BRACKET

UCM Support, Gray

1шт.

14

47867182

Bulkhead Adapter, Gray

PLATE

1шт.

15

47920667

WIRE HARNESS

Cab, EH

1шт.

16

47932510

BRACKET

Relay Shield, Gray

1шт.

17

47946314

DECAL

Fuse Box Layout, EH

1шт.

18

47961499

WIRE HARNESS

Chassis, EH

1шт.

19

47961522

WIRE HARNESS

Rear Chassis, EH

1шт.

20

82012869

CABLE TIE,300mm L, Nylon, Black

11шт.

21

84251343

SWITCH

Rocker, Drive Pattern

1шт.

22

84259663

CABLE TIE,228.6mm L, Nylon, Black

4шт.

23

84285339

SELF-TAP SCREW,Hex, M8 x 1.25 x 15mm

2шт.

24

84360210

BASE

Tie

1шт.

25

84360212

CABLE TIE,294.2mm L, Nylon

25шт.

26

84420746

CABLE TIE,403.9mm L, Nylon

10шт.

27

84420768

FASTENER,Pine Tree, 5/8" x 20.01mm

10шт.

28

47395504

ECU

SSL

1шт.

29

86511839

BOLT,Hvy Hex, M6 x 30mm, Cl 8.8

5шт.

30

86511841

BOLT,Flng, M8 x 1.25 x 16mm, Full Thd, Cl 8.8

4шт.

31

86625073

SPRING NUT,M6 x 1

10шт.

32

86637977

CLAMP,25.4mm, Coat, 8.7mm Bolt Hole, P Type

1шт.

33

86639241

NUT,Prev Torque, M5 x 0.8, Cl 8

1шт.

34

86639263

BOLT,Hex, M5, Cl 8

1шт.

35

87017606

SELF-TAP SCREW,Hex Flng, M6 x 1 x 20mm

1шт.

36

87035382

CLAMP,30.2mm, Coat, 10.3mm Bolt Hole, P Type

1шт.

37

87301490

CLAMP,12.7mm, Coat, 10.3mm Bolt Hole, J Type

1шт.

38

87655041

SPECIAL WASHER,6.85mm ID x 13.5mm OD x 2mm Thk

1шт.

39

87668737

CABLE TIE,203.2mm L, Nylon, Black

1шт.

40

87682398

SCREW,Torx, Round HD, M6 x 16mm, Cl 10.9

4шт.

41

87718301

WIRE CONNECTOR,Flange

1шт.

42

L11541

CABLE TIE,203.2mm L, Nylon

2шт.

Выбрано товаров: 42