Качественные детали и логистика
Оригинальные и аналоговые запчасти с доставкой по России, Казахстану и Беларуси
©2022 PartSell ООО "Система" ИНН 2463123282 ОГРН 1212400004838
Центральный офис: г. Красноярск, Академика Киренского, д.87, пом.4
Телефон: 8 (800) 777-65-74 Email: zakaz@partsell.ru
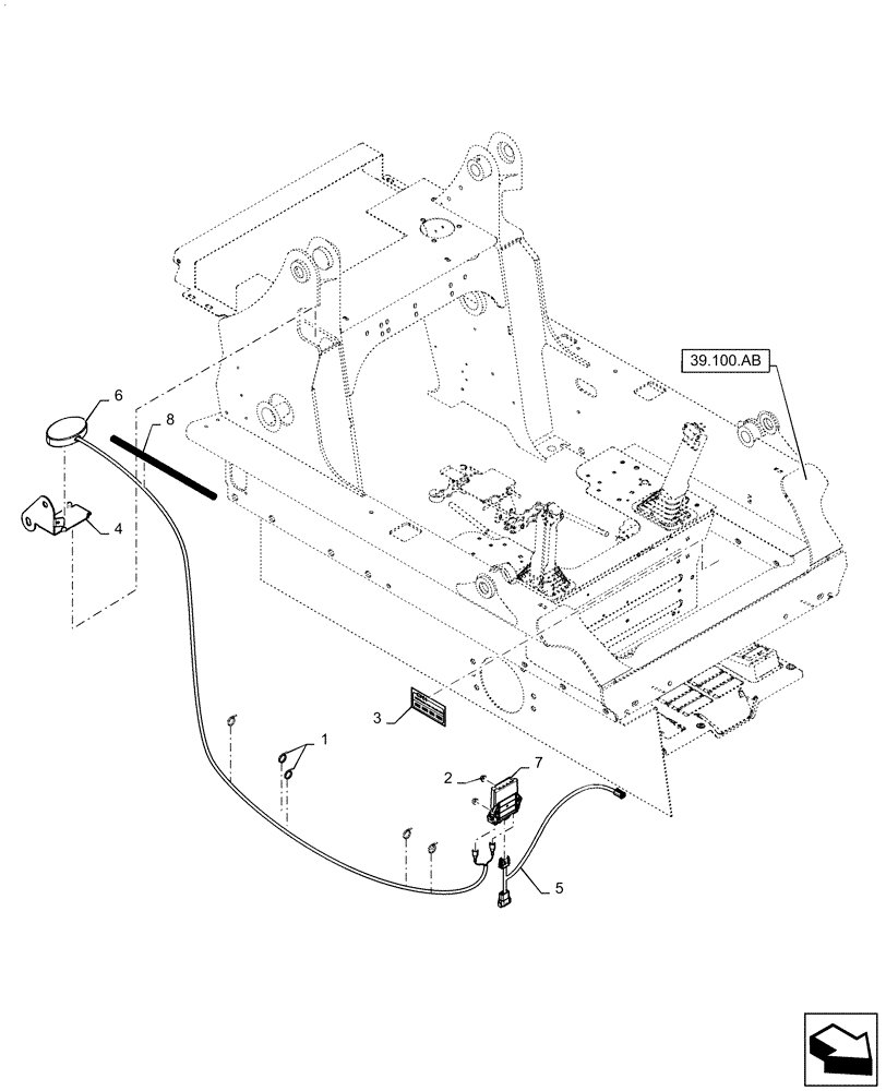
(55.991.AE) - TELEMATIC SYSTEM, VERTICAL
№
Артикул
Название
Примечание
Количество
1
263117
CABLE TIE,292.1mm L, Nylon, Black
Nylon
6шт.
2
9804276
FLANGE NUT,Hex, M6 x 1, Cl 8
2шт.
3
NS
NOT SERVICED
Activation Code, Shown for Location Reference
1шт.
4
47522726
BRACKET
Telematics Antenna
5
47567813
WIRE HARNESS
Telematics
6
84556851
ANTENNA
7
84570393
ECU
8
87283961
INSULATOR
Convoluted
Выбрано товаров: 0