Запчасти Case IH SV300 (35.220.AA[01]) - AUX HYD, STD, GEAR PUMP (SR220,SR250,SV250,SV300,TR320,TV380) (35) - HYDRAULIC SYSTEMS

Схема запчастей Case IH SV300 - (35.220.AA[01]) - AUX HYD, STD, GEAR PUMP (SR220,SR250,SV250,SV300,TR320,TV380) (35) - HYDRAULIC SYSTEMS
6
1
39.100.01
3
4
6
5
35.359.04
2
35.359.03
FIT
1:1
100%

Артикул

Название

Примечание

Количество

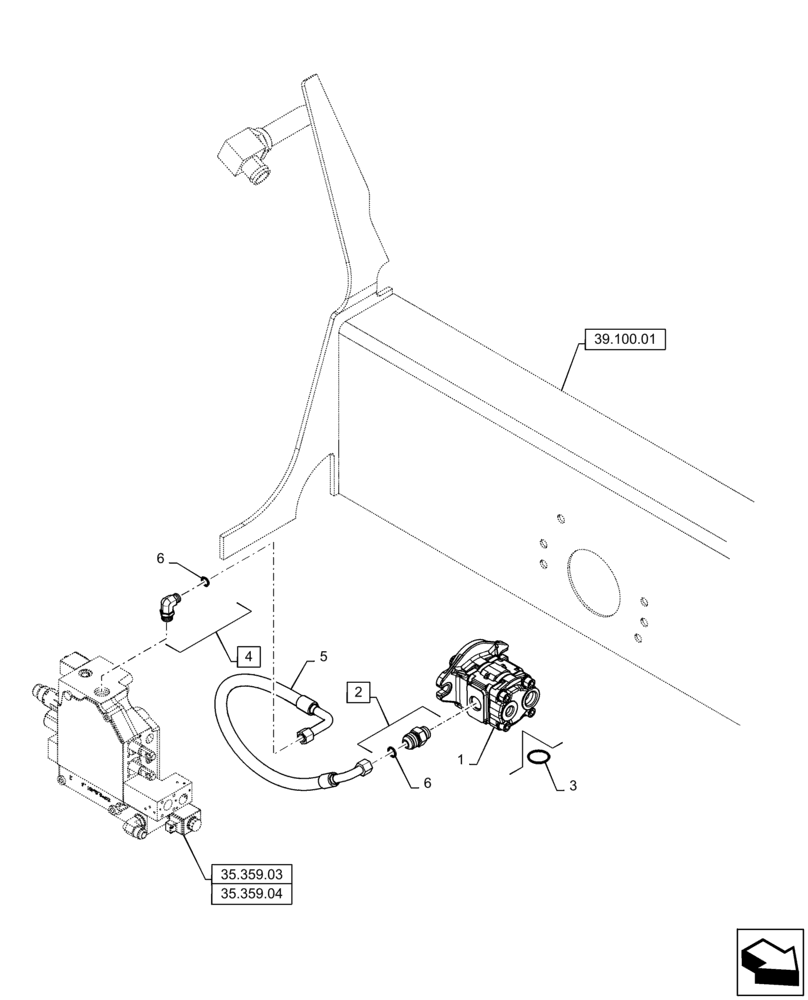
1

84572269

PUMP,36.6 CC

Gear

1шт.

2

322896

HYD CONNECTOR,1-1/16" - 12 ORB x 1-1/16" - 12 JIC

Incl 6

1шт.

3

84389261

Single Pump

SEAL KIT

1шт.

4

322894

90 ELBOW,1-1/16" - 12 JIC x 1-1/16" - 12 ORB

Incl 6

1шт.

5

84291250

HOSE ASSY.,19mm ID x 1070mm OAL

1шт.

6

167266

O-RING,0.116" Thk x 0.924" ID, -912, Cl 6, 90 Duro

2шт.

Выбрано товаров: 6